- Углепластики: преимущества и проблемы обработки
- Почему углепластики трудно обрабатывать резанием
- Алмазные инструменты: решение для прецизионной обработки
- АСПК-5: скорость резания в 4 раза выше, стойкость в 12 раз
- АСПК-51: ультрадисперсные компакты с зерном меньше 1 мкм
- Технология синтеза: фазовый переход графит-алмаз при 7 ГПа
- Микроструктура карбонадо: взаимное прорастание зерен
- Отечественные разработки: ИФВД РАН и Микротехника
Углепластики: преимущества и проблемы обработки
Рост отечественного производства
В последние годы возросло число отечественных предприятий – производителей композиционных материалов, расширилась номенклатура их продукции.
При этом технический уровень некоторых производств не уступает зарубежным фирмам.
Это радует, не так ли?
Где применяются углепластики
Композиты, армированные углеродными волокнами (углепластики), находят наиболее широкое применение в качестве конструкционных материалов в точном машиностроении.
Почему именно они?
| Свойство | Преимущество | Результат |
|---|---|---|
| Экологическая безопасность | Не токсичны | Соответствие стандартам |
| Малый вес | Намного легче других материалов | Снижение массы изделий |
| Прочность | Высокие прочностные характеристики | Надежность конструкций |
| Упругость | Высокие упругие свойства | Стабильность формы |
| Триботехника | Отличные триботехнические характеристики | Износостойкость |
| Химическая стойкость | Стойкость к агрессивным средам | Долговечность |
Впечатляющий список, правда?
Почему углепластики трудно обрабатывать резанием
Основная проблема внедрения
Одной из причин, тормозящих их широкое внедрение, является сложность обработки резанием по сравнению с обычными конструкционными материалами.
Почему так происходит?
Абразивная обработка: тупиковый путь
Обработка углепластиков с использованием абразивных инструментов – малопроизводительная и трудоемкая операция.
К тому же она относится к вредным производствам.
Не лучший вариант, согласитесь.
Лезвийная обработка: предпочтительно, но сложно
Обработка углепластиков лезвийным инструментом более предпочтительна.
Однако ее затрудняют специфические свойства материала:
| Свойство материала | Проблема при обработке | Последствие |
|---|---|---|
| Низкая теплопроводность | Тепло не отводится из зоны резания | Перегрев инструмента |
| Высокие адгезионные свойства | Материал прилипает к инструменту | Затупление, налипание |
| Неоднородность материала | Разная твердость компонентов | Неравномерный износ |
Понимаете масштаб проблемы?
Алмазные инструменты: решение для прецизионной обработки
Наиболее эффективный инструмент
Как показывает опыт, наиболее эффективны для лезвийной обработки углепластиков алмазные инструменты.
Это факт.
Мировой рынок
В этом сегменте рынка сейчас сконцентрированы усилия всех известных зарубежных производителей сверхтвердых материалов.
Конкуренция серьезная.
Российские разработки
Российские разработчики, используя значительные достижения советской школы синтеза сверхтвердых материалов, имеют возможность не допустить отставания от мировых лидеров в этом направлении.
И они это делают.
АСПК-5: скорость резания в 4 раза выше, стойкость в 12 раз
Разработка 80-90-х годов
Специалистами ОАО ЦНИТИ (Москва) еще в 80-90-е годы ХХ в. был разработан специальный алмазный материал АСПК-5.
Результаты впечатляют:
| Параметр | АСПК-5 | Твердый сплав ВК3М | Улучшение |
|---|---|---|---|
| Скорость резания | В 4 раза выше | Базовая | ×4 |
| Стойкость инструмента | В 12 раз выше | Базовая | ×12 |
Использование АСПК-5 для обработки углепластика марки П-5-12 обеспечило такие результаты.
Неплохо для разработки 30-40-летней давности, правда?
АСПК-51: ультрадисперсные компакты с зерном меньше 1 мкм
Современное развитие
В настоящее время на этой же технологической базе готовится выпуск специальных ультрадисперсных алмазных компактов АСПК-51 для использования в инструментах точной лезвийной обработки углепластиков.
Ключевые характеристики
| Параметр | Значение | Преимущество |
|---|---|---|
| Размер зерен | Меньше 1 мкм | Высокая точность обработки |
| Содержание неалмазных фаз | До 5% | Максимальная твердость |
| Объемное содержание | Контролируемое | Стабильность свойств |
Технология синтеза: фазовый переход графит-алмаз при 7 ГПа
Основное направление
Основным направлением получения ультрадисперсных алмазных компактов АСПК-51 выбран их синтез путем фазового перехода в алмазоподобную форму объемных заготовок графита при давлении не менее 7.0 ГПа.
7 ГПа — это 70 000 атмосфер. Представьте себе масштаб.
Активаторы процесса
Для полного фазового перехода графит-алмаз использованы специальные активаторы процесса (сплавы никеля с хромом).
Без них переход был бы невозможен или неполон.
Результат синтеза
При правильном выборе исходных компонентов и термобарических параметров синтеза компакты имеют:
- ✓ эффективные размеры зерен меньше 1 мкм;
- ✓ объемное содержание неалмазных фаз до 5%.

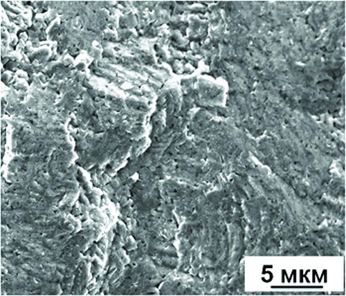
Рис. 1. Скол АСПК-51, полученного из пиролитического графита (растровый микроскоп JEOL JSM-6390LV)
Микроструктура карбонадо: взаимное прорастание зерен
Сходство с природными алмазами
Сверхтвердые компакты, синтезированные таким образом, имеют микроструктуру, сходную с природными алмазами карбонадо.
Отличительная особенность
Отличительной особенностью микроструктуры карбонадо является взаимное прорастание алмазных зерен.
Что это дает?
Такое строение обеспечивает компакту высокую прочность.
Зерна не просто соприкасаются — они прорастают друг в друга, создавая монолитную структуру.
Дополнительное преимущество
Материалу обеспечивает возможность синтеза образцов заданной формы под конкретный инструмент.
Благодаря этому снижаются затраты на механическую обработку компакта.
Логично?
Отечественные разработки: ИФВД РАН и Микротехника
Институт физики высоких давлений РАН
Институт физики высоких давлений (ИФВД) РАН был создан академиком Л.Ф. Верещагиным в 1958 году.
Институт получил международное признание в результате успешного синтеза алмаза и кубического нитрида бора.
Оригинальная аппаратура и технологии, разработанные в ИФВД, послужили основой для создания алмазной промышленности в СССР.
Недавнее открытие в ИФВД сверхпроводящего алмаза привело к развитию нового направления в физике полупроводников и еще раз подтвердило высокую репутацию Института.
Предприятие «Микротехника»
ООО Предприятие «Микротехника» создано в 1992 году.
Предприятием, в сотрудничестве с ведущими академическими и технологическими институтами страны, освоен промышленный выпуск:
- ★ ультрадисперсных сверхтвердых материалов на основе плотного нитрида бора;
- ★ ультрадисперсных сверхтвердых материалов на основе алмаза;
- ★ лезвийных инструментов на их основе;
- ★ инструментов для сверхпрецизионной обработки.
Технологический задел
Имеющийся отечественный технологический задел позволил быстро и эффективно создать новое направление синтеза алмазных компактов с ультрамелким зерном.
С помощью этих компактов могут успешно решаться разнообразные задачи прецизионной обработки углепластиков.
Контактная информация
В.П. Филоненко
Институт физики высоких давлений (ИФВД) РАН
142190, г. Москва, г. Троицк, Калужское шоссе, стр. 14
hpp@hppi.troitsk.ru
С.Н. Малышев
Предприятие «Микротехника»
303032, Мценск, Орловская обл., Автомагистраль, 4
info@microtechnika.ru
Литература
- В.П. Филоненко, И.П. Зибров, А.А. Антанович, Н.Ф. Боровиков, С.Н. Малышев. Сверхтвердые композиты с ультрамелким зерном. Перспективные материалы. 2012, №3, 1-11.
- Н.С. Каличкина, В.А. Боровикова, Н.А. Бенделиани. Способ получения поликристаллических алмазов заданной формы. - Патент РФ № 2060933. 1994.

