
1. НАЗНАЧЕНИЕ И ОБЩИЕ УКАЗАНИЯ
1.1. Устройство зарядное СОНАР УЗ 201 (в дальнейшем - устройство) предназначено для заряда свинцово-кислотных аккумуляторных батарей напряжением 12 В, ёмкостью от 25 до 65 А/ч.
2.1. Устройство может эксплуатироваться в условиях умеренного климата в хорошо проветриваемых помещениях при температуре окружающего воздуха от минус 5°С до плюс 35°С и относительной влажности до 90% при температуре 20°С.
1.3. Питание устройства осуществляется от сети переменного однофазного тока напряжением (220±20) В частотой (50±0,5) Гц.
1.4. Настоящий паспорт устанавливает правила эксплуатации устройства, соблюдение которых обеспечивает поддержание его в постоянной готовности к действию.
2. ТЕХНИЧЕСКИЕ ДАННЫЕ
2.1. Напряжение питающей сети (220±20) В.
2.2. Частота сети (50±0,5) Гц.
2.3. Диапазон зарядного тока от 0 до 5,0 А.
2.4. Устройство обеспечивает индикацию работоспособности при подключении в сеть и дискретную индикацию значений зарядного тока: "" 0,5А"" , "" 1,0А"" , "" 2,0А"" , "" 3,0А"" , "" 4,0А"" , "" 5,0А"" .
2.5. Габаритные размеры не более, мм 180 х 92 х 76
2.6. Масса не более 0,5 кг
2.7. Электрическая мощность, потребляемая от сети не более 65 Вт.
2.8. В процессе работы устройства допускается повышение температуры корпуса до 60°С.
3. ТРЕБОВАНИЯ ПО ТЕХНИКЕ БЕЗОПАСНОСТИ
3.1. Запрещается замена предохранителей , а также ремонт устройства во включенном состоянии.
3.2. При работе устройства не допускается механическое повреждение изоляции сетевого шнура, проводов выходных зажимов, а также попадание на них химически активных сред (кислот, масла, бензина и т. п.).
3.3. Заряжать аккумуляторную батарею следует в хорошо проветриваемом помещении.
4. ПОДГОТОВКА К РАБОТЕ
4.1. После хранения в холодном или сыром помещении, а также после транспортировки устройства перед включением следует выдержать его в нормальных условиях не менее 2 ч.
4.2. Главным условием нормального заряда аккумуляторной батареи является её исправность (см. руководство по эксплуатации аккумуляторной батареи).
.
5. ПОРЯДОК РАБОТЫ
5.1. Перед началом работы выньте из отсека уложенные в него провода.
5.2. Подключите контактные зажимы устройства к выводам аккумуляторной батареи, соблюдая полярность:
"" +"" или "" красный"" зажим устройства подключается к плюсу аккумуляторной батареи;
"" -"" или "" черный"" зажим устройства подключается к минусу аккумуляторной батареи.
При этом должен загореться зеленый индикатор "" ON"" , что говорит о правильности подключения и наличии напряжения на аккумуляторной батарее не ниже 9,5 В.
5.3. Включите устройство в сеть переменного тока напряжением 220В, при этом автоматически начнёт протекать ток заряда аккумуляторной батареи. Зарядное устройство работает в автоматическом режиме и формирует оптимальную характеристику зарядного тока. В зависимости от состояния Вашей аккумуляторной батареи зарядное устройство автоматически включится в один из двух режимов работы:
- режим "" оживления"" аккумуляторной батареи
- режим "" объёмного"" заряда
В режим "" 1"" устройство включается, если Ваша аккумуляторная батарея разряжена глубоко до напряжения ниже 6-8 В. В этом случае зарядное устройство работает в импульсном режиме, обеспечивая небольшой средний ток. Когда аккумуляторная батарея зарядится до напряжения около 8-10 В, зарядное устройство автоматически переключится в режим "" 2"" . В этом режиме в начале устанавливается ток около 4-5 А, который будет автоматически снижаться по мере заряда аккумуляторной батареи, исключая "" кипение"" электролита. При полной зарядке аккумуляторной батареи зарядный ток установится равным току собственных потерь аккумулятора (для исправной батареи ёмкостью 55 А/час не более 0,5А). В этом режиме аккумуляторная батарея может храниться сколь угодно долго.
5.4. По окончании заряда аккумуляторной батареи отсоедините питание зарядного устройства, затем отсоедините контактные зажимы от аккумуляторной батареи.
5.5. При включении зарядного устройства на холостом ходу (без подключения аккумуляторной батареи) светодиод "" ON"" должен гореть (или периодически мигать), что говорит о работоспособности прибора.
5.6. Зажигание светодиода "" 0,5А"" без нагрузки допускается.
5.7. При зарядке аккумуляторной батареи на автомобиле сначала подсоедините выходной провод к незаземлённой клемме, затем подсоедините другой выходной провод к шасси вдали от батареи и топливной линии. По окончании заряда отсоедините питание, затем шасси и батарею.
5.8. Для заряда аккумуляторной батареи большей ёмкости (90-120 А/ч и более) допускается одновременное подключение двух и более зарядных устройств данного типа к одной аккумуляторной батарее. Зарядный ток увеличивается соответственно в два или более раз.
..
6. ПРАВИЛА ХРАНЕНИЯ УСТРОЙСТВА
6.1. Устройство необходимо хранить в сухом, хорошо проветриваемом месте, вдали от отопительных приборов при температуре окружающего воздуха от 1 до 40°С, относительной влажности не более 80% при 25°С.
6.2. Недопустимо содержание в воздухе хранилища газов, паров кислот, щелочей и других агрессивных сред и примесей.
6.3. Срок хранения устройства не более 5 лет.
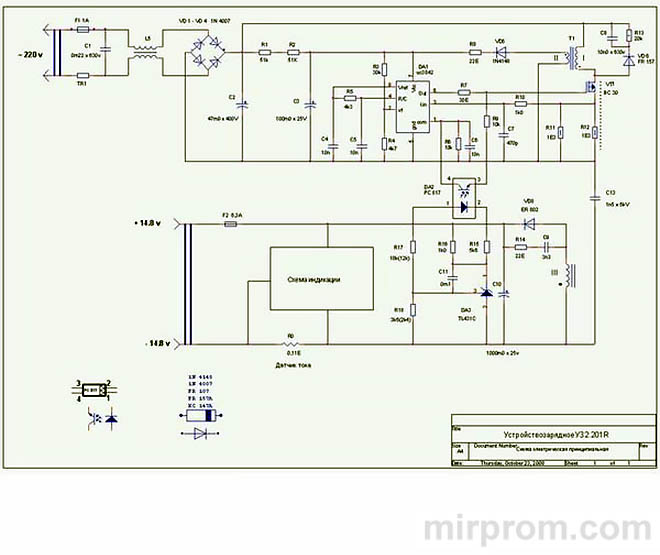
ПРИНЦИПИАЛЬНАЯ СХЕМА ЗУ СОНАР УЗ 201


