- Проблемы современного образования в области гидропривода
- Эволюция справочника: от 1982 до наших дней
- Насосы нового поколения: от шестеренных до радиально-поршневых
- Гидроцилиндры и гидромоторы: технические новинки
- Гидроаппаратура: распределители и клапаны
- Электрогидравлическая автоматика и цифровые приводы
- Энергосбережение и снижение шума в гидросистемах
- Вспомогательные элементы и приборы контроля
Проблемы современного образования в области гидропривода
Разрыв между теорией и практикой
В современном гидроприводе множество важнейших проблем, в которых должны разбираться молодые инженеры. Но что мы видим? В течение 80% времени курса продолжают толковать о струйках рабочей жидкости — теории, которая в большинстве случаев больше никогда не потребуется в жизни.
Звучит жестко, но это правда. Действительно важные разделы объемных гидроприводов — конструкция и параметры элементной базы, основные расчетные зависимости, правила построения гидросхем, энергосбережение, кондиционирование рабочей жидкости, комплектующая электроника, особенности эксплуатации — или упоминаются вскользь, или не упоминаются вообще.
Западный опыт: другой подход
У нас сейчас модно обращаться к западному опыту. А там программа обучения от колледжа до магистрата начинается не с пресловутых «струек», а с изучения конкретного серийно выпускаемого предохранительного клапана непрямого действия.
Почувствуйте разницу: сразу практика, реальные компоненты, понятные вещи. Логично, не так ли?

Рис. 1. Конструкция современного гидропривода
Эволюция справочника: от 1982 до наших дней
История публикаций
Более 30 лет автор старается исправить сложившуюся ситуацию, издавая в издательстве «Машиностроение» справочники «Станочные гидроприводы», предназначенные для преподавателей и студентов втузов.
В период с 1982 по 2008 годы вышли в свет пять изданий. Читатели уже убедились: всякий раз книги существенно перерабатывались в погоне за техническим прогрессом.
Переход к электронному формату
К сожалению, очередное 6-е издание не было принято в производство. Даже несмотря на то, что справочник входит, как сейчас говорят, в топ-4 наиболее известных книг издательства «Машиностроение».
Что делать? Было принято решение об электронном издании книги. В ней отражен современный мировой уровень развития промышленных гидроприводов, существенно расширены сведения об импортной гидравлике, разумеется, не в ущерб обновленной и дополненной отечественной номенклатуре.
По каждому из компонентов приведены полные технические данные аналогов инофирм, наиболее авторитетных на российском рынке:
- ★ Основные параметры
- ★ Размеры
- ★ Расшифровки кодовых обозначений
- ★ Условия эксплуатации
Особое внимание уделено проблеме энергосбережения, а также основополагающим международным стандартам ISO по гидрооборудованию.
Насосы нового поколения: от шестеренных до радиально-поршневых
Инженерные размерности: упрощаем расчеты
Глава о насосах существенно переработана. Здесь, как и во всем справочнике, в формулах приведены инженерные размерности, позволяющие существенно упростить расчеты.
Это немаловажное обстоятельство. В качестве единиц давления весь мир давно использует бары, практически равные атмосфере. Мы же, как всегда, идем своим путем. С настойчивостью, достойной лучшего применения, Госстандарт уже более полувека внедряет мегапаскали.
Теперь у нас практически все манометры градуированы в атмосферах, а в техдокументации приводятся мегапаскали, которые на порядок больше. Что это вызывает? Многочисленные ошибки!
Шестеренные насосы
Обновлены параметры и размеры шестеренных насосов ОАО «Гидросила». Показаны возможности многопоточных связок (до 3 потоков).
Приведены полные данные о шестеренных насосах внутреннего зацепления мод. IGP фирмы Duplomatic. Они имеют:
- ✔ Радиальную и осевую компенсацию
- ✔ Низкий уровень шума
- ✔ Специальные высоконадежные подшипники скольжения
Рабочие объемы V₀ = 3...250 см³, давление p = 33...21 МПа в зависимости от типоразмера. Отметим: отечественной промышленностью насосы этого типа не выпускаются.
Пластинчатые насосы
Раздел дополнен моделью Т7 фирмы Parker (Denison) с V₀ = 5,8...268,7 см³, p = 32...24 МПа.
Регулируемые насосы прямого управления PVL фирмы Atos отличаются низким уровнем шума, имеют винт ограничения подачи и сквозной вал (thru drive). Это позволяет реализовать осевой монтаж нескольких насосов (в том числе разнотипных) в многопоточной связке.
Приведены описания прогрессивного принципа регулирования насосов — чувствительности к нагрузке (Load Sensing — LS), а также регулируемых пластинчатых насосов непрямого управления мод. PV7 фирмы Bosch Rexroth (V₀ = 14...150 см³, p = 8, 10 или 16 МПа).
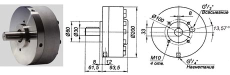
Аксиально-поршневые насосы
Раздел регулируемых аксиально-поршневых насосов с наклонным диском дополнен:
- → Моделью VPPL фирмы Duplomatic
- → Насосами A10VSO фирмы Bosch Rexroth
- → Насосами серии PVplus фирмы Parker (V₀ = 16...360 см³, p = 35 МПа)

Рис. 2. Насос VPPL фирмы Duplomatic
Эти компактные самовсасывающие машины имеют низкий уровень пульсации давления и шума, исполнение со сквозным валом, большое количество модификаций по присоединению, широкую номенклатуру механизмов управления (в том числе пропорциональное электроуправление).
Радиально-поршневые насосы
Раздел существенно переработан. Введено описание моделей PR4-1X и PR4-3X (Bosch Rexroth) и PFR (Atos).
Насосы BRK фирмы Bieri способны работать при давлениях до 100 МПа. Возможна комбинация с шестеренным насосом низкого давления.

Рис. 3. Насос BRK фирмы Bieri
Регулируемые радиально-поршневые насосы мод. RKP фирмы Moog (V₀ = 19...1400 см³, p = 28 МПа) применяются в системах открытой циркуляции рабочей жидкости. Возможны двухпоточные связки из радиально-поршневых насосов или радиально-поршневого с шестеренным.
12 типов различных механизмов управления обеспечивают широкие возможности энергосбережения. Новейшая версия — электрогидравлический механизм управления со встроенными датчиками давления и эксцентриситета статора (фактически датчик подачи). Это позволяет электронной системе выполнять функции компенсатора давления, регуляторов подачи и мощности.
| Тип насоса | Производитель | V₀ (см³) | p (МПа) | Особенности |
|---|---|---|---|---|
| Шестеренный IGP | Duplomatic | 3-250 | 21-33 | Внутреннее зацепление |
| Пластинчатый Т7 | Parker | 5,8-268,7 | 24-32 | Низкий шум |
| Аксиальный VPPL | Duplomatic | 16-360 | 35 | Сквозной вал |
| Радиальный RKP | Moog | 19-1400 | 28 | 12 типов управления |
| Радиальный BRK | Bieri | — | до 100 | Сверхвысокое давление |
Гидроцилиндры и гидромоторы: технические новинки
Гидроцилиндры: новые возможности
Глава о гидроцилиндрах дополнена таблицами размеров холоднотянутых труб (гильзы) и штоков с окончательно обработанными рабочими поверхностями.
Описаны типовые конструкции (в том числе сервоцилиндров), методы путевого контроля на базе индуктивных сенсоров и встраиваемых датчиков линейных перемещений Balluff, а также системы CIMS (CIAMS – абсолютного измерения) фирмы Bosch Rexroth.
Приводится полное описание гаммы гидроцилиндров НС2 фирмы Duplomatic.
Впервые с позиций безопасности рассмотрены проблемы интенсификации давления, а также ограничения хода с помощью проставок Stop tube с целью повышения устойчивости штока на продольный изгиб.
Поворотные гидродвигатели
В 6-е издание введены сведения о поворотных гидродвигателях HPSD, DZK-H и DA-H фирмы HKS. Они способны развивать крутящие моменты до 200 000 Н·м.
Впечатляет, не так ли?
Гидромоторы: от «малышек» до гигантов
Раздел гидромоторов дополнен описанием нерегулируемых моделей A10FM (с наклонным диском) и AA2FM (с наклонным блоком, V₀ = 10...180 см³, p = 35...40 МПа) фирмы Bosch Rexroth.
Уникальными характеристиками обладает типоразмер A2F5/60*-C7 с V₀ = 5 см³. Эта нерегулируемая «малышка» при массе 2,5 кг способна вращаться с частотой до 10 000 мин⁻¹, развивая крутящий момент до 24,7 Н·м.
Нетрудно подсчитать: удельная мощность при этом превышает 10 кВт/кг!
Радиально-поршневые гидромоторы
Нерегулируемые радиально-поршневые гидромоторы мод. MR выпускают фирмы Parker и Bosch Rexroth (проект Calzoni).
Оригинальная конструкция телескопических поршней, опирающихся на сферические поверхности вала и крышек, а также гидростатическая разгрузка распределителя позволяют обеспечить:
- ✓ Высокий КПД
- ✓ Долговечную работу
- ✓ Расширенный диапазон регулирования частоты вращения
Параметры: V₀ = 33...8200 см³, p = 25...21 МПа, n = 1400...120 мин⁻¹.
Одной из технических новинок последних лет являются радиально-поршневые регулируемые гидромоторы, в которых эксцентрик перемещается в радиальном направлении с помощью встроенных в приводной вал цилиндров управления.

Рис. 4. Регулируемый гидромотор с радиальным перемещением эксцентрика
Шестеренные и пластинчатые гидромоторы
Раздел шестеренных гидромоторов дополнен описанием мод. 2SM и 3SM фирмы Galtech, а также шестеренных делителей потока HPLDF фирмы Bondioli.
Достоинствами пластинчатых гидромоторов М5В фирмы Parker являются:
- → Высокий эффективный КПД (≥0,9)
- → Отличный пусковой момент
- → Малая пульсация момента (≤±1,5%)
- → Гидростатическая разгрузка основных деталей
- → Двухкромочные пластины
- → Возможность быстрой замены рабочего комплекта (картриджа)
Основные параметры: V₀ = 12...45 см³, p = 32...28 МПа, n = 6000...3000 мин⁻¹.
Гидроаппаратура: распределители и клапаны
Гидрораспределители
В главе о гидроаппаратуре обновлены переводные таблицы исполнений распределителей по гидросхеме. Введены новые производители — фирмы Argo-Hytos и Aron, уточнены данные по распределителям ОАО «Гидроаппарат».
Приводится полная информация по распределителям с электроуправлением с условным проходом Dᵤ = 6 и 10 мм фирм Bosch Rexroth и Atos.
Переработана таблица параметров и размеров муфтовых кранов ЗАО «Гирас».
В новом разделе седельных распределителей приведено описание мод. M-*SEW10 фирмы Bosch Rexroth.
Гидрозамки
Раздел гидрозамков дополнен описанием современных моделей C4V фирмы Parker, построенных с использованием технологий вставного монтажа:
- ★ Dᵤ = 10, 25 или 32 мм
- ★ p = 35 МПа
- ★ Расход Q = 150, 270 или 450 л/мин
Клапаны давления
В разделе клапанов давления вы найдете аппараты:
DBDS (прямого действия) и DB (непрямого действия) фирмы Bosch Rexroth. Последние пропускают расходы до 650 л/мин и обладают повышенной устойчивостью благодаря оригинальной конфигурации каналов системы управления.
Введено описание разгрузочных клапанов фирмы Duplomatic мод. MRQA, а также ряда аппаратов непрямого действия фирмы Bosch Rexroth:
- ✔ Гидроклапаны давления мод. DZ (Dᵤ = 10, 25 или 32 мм, p = 31,5 МПа, Q = 200...600 л/мин)
- ✔ Редукционные клапаны DR
Обновлено описание редукционных клапанов М-КР-М отечественного производства.
Балансировочный клапан ZC2 фирмы Duplomatic в зависимости от направления потока способен работать в режимах предохранительного или редукционного клапана прямого действия. Аналогичную функцию выполняют аппараты непрямого действия — трехлинейные регуляторы давления ZC той же фирмы.
Регулирование расхода
В разделе аппаратов регулирования расхода приведено полное описание:
- → Дросселей Manatrol фирмы Parker
- → Двухлинейных регуляторов расхода 2FRM фирмы Bosch Rexroth
- → Регуляторов RPC фирмы Duplomatic
Модульный и вставной монтаж
Аппараты модульного монтажа дополнены описанием:
- ★ Предохранительного клапана ZDB6
- ★ Регулятора расхода Z2FRM6
Оба — фирмы Bosch Rexroth. Также описана новая разработка ЭНИМСа — двухлинейный регулятор расхода.
Представляет интерес набор специсполнений модульных аппаратов фирмы Duplomatic (в том числе гидрораспределителей).
Интегральные схемы
Новейшим направлением является создание так называемых «интегральных схем» — специальных гидроблоков с ввертной аппаратурой, позволяющих реализовать типовые схемные решения в серийно выпускаемых машинах и оборудовании.

Рис. 5. Интегральная схема для подъема и опускания груза
Приводятся сведения о ввертной аппаратуре одного из мировых лидеров — фирмы SUN.
Раздел гидроаппаратов вставного монтажа дополнен гидроуправляемыми клапанами и клапанами регулирования давления фирмы Bosch Rexroth. Последние могут выполнять функции предохранения, редуцирования или подключения давления.
Электрогидравлическая автоматика и цифровые приводы
Единый электрогидравлический привод
Глава об электрогидравлической автоматике дополнена анализом достоинств и недостатков электрической и гидравлической технологий. Из него делается вывод о целесообразности создания единого электрогидравлического привода.
Идея эта не нова, но в последнее время она получает опережающее развитие.
Дросселирующие гидрораспределители (ДГР)
Приведены сведения о дросселирующих гидрораспределителях мод.:
- ✔ SM4-20 фирмы Eaton Vickers
- ✔ 4WS2EM10 фирмы Bosch Rexroth
- ✔ D765 фирмы Moog
Особое внимание уделено высокодинамичным ДГР мод. D1FP фирмы Parker и LSVG-03 Yuken с электродинамическим преобразователем типа «подвижная катушка». Они способны отрабатывать частоты до 250...400 Гц.
Анализируются возможности дальнейшего развития ДГР — повышения их «интеллектуального» уровня.
В качестве примеров приводятся:
- → ДГР мод. D638 фирмы Moog со встроенными датчиками перемещения золотника и давления
- → AxisPro фирмы Vickers со встроенным интерфейсом с шиной CanOpen, светодиодными индикаторами состояния, системой самодиагностики и датчиками давления и температуры масла

Рис. 6. ДГР D638 со встроенными датчиками
Быстродействующие однокаскадные ДГР
Быстродействующие однокаскадные ДГР (Dᵤ = 6 и 10 мм) фирмы Bosch Rexroth со встроенным цифровым осевым контроллером (проект IAC-R) и интерфейсом с шинами CanOpen и Profibus-DP способны:
- ★ Управлять расходом и давлением
- ★ Реализовать позиционный контроль
- ★ Осуществлять p/Q-регулирование насосов
Перестройка параметров легко осуществима от ноутбука. Удобно, правда?
Пропорциональные распределители
В справочнике описаны пропорциональные распределители DHZO-T, DKZOR-T прямого действия и DPZO-TES — непрямого действия фирмы Atos (возможно со встроенной электроникой).
Уточнены параметры пропорциональных аппаратов РУП ГСКТБ ГА (г. Гомель, Беларусь).
Пропорциональные предохранительные клапаны непрямого действия мод. PRE фирмы Duplomatic (Dᵤ = 10, 25 или 32 мм, p = 35 МПа, Q = 200, 400 и 500 л/мин) оснащены дополнительным пилотом с ручной настройкой. Это обеспечивает надежную защиту гидросистемы от перегрузки даже при отказе электропитания.
Комплектные электрогидравлические приводы
В новом разделе «Комплектные электрогидравлические приводы» приведены описания приводов:
- ✓ мод. CRV фирмы Atos
- ✓ LESA серии ТТ фирмы Eaton Vickers
- ✓ Новой гидравлической оси с цилиндром CSHH фирмы Bosch Rexroth
Электрогидростатические приводы
Особое внимание уделено новейшему направлению развития — электрогидростатическим приводам. В них замена шариковинтовых передач, применяемых в чисто электрических версиях, на гидроцилиндры позволяет:
- → Упростить и удешевить конструкцию
- → Существенно повысить надежность (особенно в высокодинамичных силовых режимах работы)
В приводе CLDP фирмы Voith Turbo на валу серводвигателя установлены два рабочих комплекта шестеренных насосов внутреннего зацепления. Соотношение их рабочих объемов равно соотношению площадей поршня гидроцилиндра. Компенсация объема штока реализуется с помощью аккумулятора, который также выполняет функцию бака.
Реверс движения гидроцилиндра и изменение скорости обеспечиваются путем программного изменения направления и частоты вращения серводвигателя.
Узел подключается к источнику энергии только электропроводами. Насосных установок и трубопроводов не требуется.
Основные параметры: p = 25 МПа, усилие до 196 кН, точность позиционирования 10 мкм.

Рис. 7. Привод CLDP фирмы Voith Turbo
Приводится описание аналогичных устройств фирм Moog, Parker и Bosch Rexroth, а также совершенно автономного электрогидравлического ручного инструмента фирмы Edilgrappa (развиваемое усилие до 210 кН при собственной массе 14,7 кг) с питанием от встроенного в рукоятку аккумулятора.
Цифровые электрогидравлические приводы
«Цифровые электрогидравлические приводы» — новый раздел, посвященный последним работам ЭНИМСа в области полностью цифровых приводов и их компонентов с управлением от задающего шагового электродвигателя (ШД).
Приведены параметры и размеры различных ШД, конструкция и результаты стендовых испытаний:
- ★ Комплектных приводов
- ★ Принципиально новых гидрораспределителей
- ★ Предохранительных и редукционных клапанов
- ★ Двухлинейных регуляторов расхода
В заключение раздела приведено описание новейшей цифровой гидравлики фирмы Bosch Rexroth.
Энергосбережение и снижение шума в гидросистемах
Сокращение энергетических потерь
Важнейшим проблемам энергосбережения посвящен новый раздел «Сокращение энергетических потерь».
Даются рекомендации по выбору механизмов управления насосов, описываются системы частотного регулирования (фирмы Yuken и Bosch Rexroth), насосно-аккумуляторные приводы, некоторые способы рекуперации энергии.
Особое внимание уделено повышению энергоэффективности приводов с четырехкромочными ДГР, в том числе при использовании цилиндров с различными площадями рабочих камер.
Рассмотрены варианты применения ДГР с асимметричными потоками или с раздельным регулированием открытия рабочих кромок — новейшее направление в мировой гидравлике.
В качестве альтернативы возможно также использование приводов, в которых около нейтрального положения ДГР работает в штатном режиме. А по мере увеличения скорости гидродвигателя электронная система обеспечивает опережающее открытие рабочих кромок. Поток рабочей жидкости ограничивается подачей насоса, зависящей от частоты его вращения.
Таким образом, реализуется плавный переход от дроссельного регулирования к объемному.
Дополнительные способы снижения потерь
Остаются по-прежнему актуальными способы снижения потерь мощности за счет:
- → Повышения КПД гидромашин
- → Применения дифференциального включения цилиндров
- → Исключения аппаратов с большими дроссельными потерями (например, редукционных клапанов)
- → Уменьшения утечек (например, путем использования седельных распределителей)
- → Оптимизации проходных сечений гидроаппаратов
- → Снижения потерь давления в соединительных трубопроводах
Радикальным решением здесь является полное исключение трубопроводов в электрогидростатических приводах.
Наконец, важнейшим способом оптимизации является расширение «интеллекта» электронных систем управления.
Снижение шума
Большое внимание в новом издании справочника уделено проблеме снижения шума. Рассмотрены основные способы шумопоглощения в насосах и других компонентах гидросистем.
Типовые схемные решения
Примеры типовых схемных решений дополнены описаниями гидроприводов:
- ✓ Модернизированного давильного станка КЖ 99016 с гидрокопировальными системами
- ✓ Станции высокого давления установки гидроструйной резки, для которой оптимизирована конструкция гидравлического реверсивного механизма
Вспомогательные элементы и приборы контроля
Фильтры и аккумуляторы
В качестве новых компонентов, включенных в главу о вспомогательных элементах гидроприводов, можно отметить:
Фильтры:
- ★ Приемные фильтры FSI фирмы Duplomatic и STR MP-Filtri
- ★ Всасывающие фильтры FST Duplomatic
- ★ Сливные фильтры MPF и напорные FMM050 фирмы MP-Filtri
Аккумуляторы:
- ★ Баллонные модели LA фирмы SAIP
- ★ Мембранные SBO Hydac
Мультипликаторы давления
Впервые в справочнике подробно описаны мультипликаторы давления фирмы miniBOOSTER.

Рис. 8. Мультипликатор давления
Они позволяют многократно (до 25 раз) усиливать давление в гидросистеме, укомплектованной обычным насосом:
- ✓ Давление на входе: 2...20 МПа
- ✓ Давление на выходе: до 80 МПа
Это позволяет, например, создавать исключительно компактные зажимные механизмы.
Теплообменники
В разделе «Теплообменники» приведены расчеты теплового режима гидропривода, описаны:
- → Воздушные теплообменники фирм SESINO и Emmegi
- → Водяные теплообменники трубчатого и пластинчатого типов
Последние (мод. РНЕ фирмы KTR) позволяют полностью исключить опасность попадания воды в масло. При размерах 286×116×175 мм они развивают мощность охлаждения до 51 кВт.
Устройства терморегулирования фирм KTR и Emmegi позволяют автоматически изменять расход масла и воды с целью стабилизации температуры на заданном уровне.
Уплотнения
Новым крупным блоком в разделе «Уплотнения» являются уплотнения и направляющие ООО «ЭрДжиСи-трейд», главным образом для гидроцилиндров.
Они разработаны и изготовлены по современным технологиям, рассчитаны на широкий диапазон:
- ★ Давлений: до 80 МПа
- ★ Скоростей: до 10 м/с
- ★ Температур: широкий диапазон
Показана типовая конструкция уплотнительного узла штока.
Соединения трубопроводов
Применяемые в отечественной практике соединения трубопроводов соответствуют техническому уровню 70-х годов прошлого века.
В справочнике описаны новейшие фитинги фирмы Parker Ermeto, отвечающие современным требованиям надежности, фланцевые и быстросъемные соединения, а также рукава высокого давления и оборудование для их производства.
Приборы контроля
Значительно расширен раздел «Приборы». Здесь вы теперь найдете:
Манометры: новые манометры НПО «ЮМАС» и фирмы Wika
Контрольные точки давления: Stauff
Датчики расхода: объемные датчики расхода фирм Stauff и VSE
Датчики уровня и температуры: уровнемеры, реле уровня и температуры NVT фирмы KTR
Датчики силы: EMS70 (1...500 кН)
Моментомеры: DATAFLEX®
Фотоэлектрические преобразователи: ЛИР-158Б производства СКБ ИС
Приборы контроля загрязненности: различные приборы фирм Stauff, Hydac, Parker и Internormen
Гидротестеры:
- ✓ HMG2020 фирмы Hydac
- ✓ SDMKR Stauff
- ✓ Senso Master Plus фирмы Parker
Насосные установки
В разделе «Насосные установки» приводится подробное описание модернизированной системы их изготовления по индивидуальным заказам, предлагаемой фирмой KTR.
Описаны современные средства шумоизоляции насосных агрегатов, рассматриваются общие вопросы проектирования гидроблоков.
Эксплуатация и обслуживание
В разделе эксплуатации приведены описания портативных мобильных маслоочистителей HVP-902 фирмы Pall. Они эффективно удаляют загрязнения, воду и газы из гидравлических масел.
Также описаны аналогичные устройства фирм Stauff и Internormen.
Поиск аналогов и интернет-ресурсы
В разделе поиска аналогов добавлена ссылка на полностью переработанное издание первой книги «Насосы и гидродвигатели 1998-2010 гг.» Международного справочника «Гидрооборудование», вышедшей в свет в 2010 году.
Здесь хочется сказать несколько слов о конкуренции этого издания с Интернетом. Конечно, Интернет — значительно более мощная информационная система. Однако и предлагаемый справочник имеет свои определенные преимущества:
- → Материал систематизирован по типоразмерам гидравлических компонентов. Поэтому можно быстро определить ведущие фирмы-изготовители и номенклатуру идентичной продукции.
- → В изданиях 2001 и 2010 годов наряду с новейшими приведены компоненты ранних лет выпуска (начиная с 1970 года). Это необходимо для механиков, заменяющих отработавшее ресурс оборудование новым.
- → Материал квалифицированно переведен на русский язык со строгим соблюдением принятой в России терминологии.
- → Материал каталогов отечественных производителей и инофирм единообразно адаптирован для лучшего понимания.
Впрочем, зачем говорить о конкуренции? Лучше взять Интернет в союзники.
С этой целью в 6-м издании справочника «Станочные гидроприводы» приведен путеводитель по Интернету, позволяющий быстро найти исчерпывающую информацию непосредственно от производителей — лидеров мирового рынка гидравлики.
Соответствующие ссылки на сайты в Интернете сделаны и при описании различных компонентов в тексте справочника.
Заключение
Хочется верить, что предлагаемая вашему вниманию книга, являющаяся плодом многолетней работы автора, найдет своего заинтересованного читателя и послужит делу возрождения отечественного машиностроения.
Что имеем в итоге? Справочник, который охватывает весь спектр современного гидрооборудования — от классических насосов до цифровых электрогидравлических приводов. С практическим уклоном, с инженерными размерностями, с полными данными по аналогам.
Разве это не то, что нужно современным инженерам?
Свешников В. К., к.т.н., ЭНИМС
Заказ справочника по телефону (812) 710-62-73

