Морозильник Саратов - это вертикальная компактная морозильная камера. Габариты: 58х85х62 см, Общий объем: 110 л, Количество ящиков/полок: 4, Мощность замораживания: до 12 кг/сутки, минимальная температура в морозильной камере: -18, тип управления: электромеханическое,перевешиваемые двери, уровень шума: 42 дБ
Морозильник Саратов Pуководство по эксплуатации
ООО «СЭПО-ЗЭМ»
410040, Россия, г. Саратов, пр. 50 лет Октября, пл. Ленина
ВНИМАНИЮ ПОКУПАТЕЛЕЙ!
При покупке морозильника в магазине проверьте:
– отсутствие механических повреждений;
– работоспособность и комплектность;
– наличие в гарантийной карте в отрывных талонах отметки о дате продажи и штампа магазина.
Владелец устанавливает и пускает в работу морозильник самостоятельно, при этом он должен руководствоваться разделами 1, 4, 6, 7, 8 руководства по эксплуатации (РЭ) и соблюдать правила техники безопасности.
В связи с постоянным совершенствованием конструкции, в Вашем морозильнике могут быть незначительные изменения, не отраженные в инструкции.
МОДЕЛИ МОРОЗИЛЬНИКОВ
«Саратов-153» МКШ-135
«Саратов-154» МШ-90
«Саратов-170» МКШ-180
«Саратов-171» МКШ-135
«Саратов-172» МШ-90
.
1 Общие указания
1.1 Морозильник предназначен для замораживания свежих пищевых продуктов и их длительного хранения в бытовых условиях. Морозильник должен эксплуатироваться в помещениях с температурой окружающего воздуха от плюс 16 до плюс 32 °С, относительной влажностью воздуха не выше 70 %. При температуре выше плюс 32 °С возможна непрерывная работа компрессора в режиме «хранение», что нежелательно. Прежде, чем пользоваться морозильником, Внимательно ознакомьтесь с правилами, приведенными в настоящем руководстве.
1.2 Владелец при эксплуатации морозильника должен исключить:
– эксплуатацию морозильника на всех видах движущегося транспорта, а также в пунктах проката и местах общего пользования, связанных с предпринимательской деятельностью;
– несоблюдение правил установки и эксплуатации;
– небрежность при хранении и транспортировке;
– применение самодельных электрических приборов;
– ремонт морозильника лицами, не уполномоченными на производство гарантийного ремонта;
– нарушение пломбировок пускозащитного реле и датчика-реле температуры;
– нарушение электропроводки морозильника;
– включение морозильника в электросеть с колебаниями напряжения выше 242 В и ниже 198 В.
❗👉➨ Примечание – Разрешается эксплуатация морозильника в организациях при условии назначения ответственного лица за соблюдением правил эксплуатации.
2 Технические требования
Таблица 1
| Техническая характеристика | Модель | ||||
| «Саратов-154» | «Саратов-172» | «Саратов-153» | «Саратов-171» | «Саратов-170» | |
| 1 Габаритные размеры, мм высота ширина глубина |
880 480 600 |
880 480 600 |
1145 480 600 |
1145 480 600 |
1470 480 600 |
| 2 Суммарная площадь полок, м2 | 0,43 | 0,43 | 0,64 | 0,64 | 1,02 |
| 3 Общий объем морозильной камеры, дм3 | 94 | 94 | 135 | 135 | 180 |
| 4 Полезный объем морозильной камеры, дм3 | 60 | 60 | 85 | 85 | 122 |
| 5 Напряжение питающей сети, В | 220 | 220 | 220 | 220 | 220 |
| 6 Частота, Гц | 50 | 50 | 50 | 50 | 50 |
| 7 Потребляемая мощность, кВт | 0,135 | 0,135 | 0,135 | 0,135 | 0,135 |
| 8 **Суточный расход электроэнергии при температуре окружающего воздуха плюс 25 °С и при температуре в морозильной камере минус 18 °С, кВт ч., не более | 0,9 | 0,9 | 0,99 | 0,99 | 1,1 |
| 9 Класс энергетической эффективности по ГОСТ Р 51388-99 | С | С | С | С | С |
| 10 **Температура в морозильной камере в режиме хранения, °С, не выше | минус 18 | минус 18 | минус 18* | минус 18* | минус 18* |
| 11 Мощность замораживания, кг/сут., не менее | 9 | 9 | 10 | 10 | 12 |
| 12 Масса морозильника без упаковки, кг, не более | 35 | 32 | 40 | 36 | 50 |
| 13 Содержание серебра, г | 1,4339 | 1,4339 | 1,4339 | 1,4339 | 1,4339 |
| 14 Содержание цветных металлов, кг: алюминий медь | 2,18 1,2 | 2,18 1,2 | 2,6 1,2 | 2,6 1,2 | 3,89 1,2 |
*В верхнем сосуде допускается температура минус 12 °С, не более.
**Объективная оценка температуры и расхода электроэнергии осуществляется в лабораторных условиях в соответствии с ГОСТ 16317-87.
3 Комплектность
В комплект поставки входит упакованный морозильник с комплектующими изделиями согласно таблице 2, «Руководство по эксплуатации», «Гарантийная карта» и табличка энергетической эффективности холодильного прибора.
Таблица 2
| Наименование | Количество, шт | ||||
| «Саратов-153» | «Саратов-154» | «Саратов-170» | «Саратов-171» | «Саратов-172» | |
| 1 Ванночка | 1 | 1 | 1 | 1 | 1 |
| 2 Сосуд нижний | 1 | 1 | 1 | 1 | 1 |
| 3 Панель (шторка) | - | - | - | 1 | 1 |
| 4 Сосуд | 5 | 3 | 7 | 4 | 2 |
| 5 Сосуд для ягод | 1 | 1 | 1 | 1 | 1 |
| 6 Форма для льда | 1 | 1 | 1 | 1 | 1 |
❗👉➨ Примечание – Расположение комплектующих изделий приведено на рисунках 1, 1а, 1б.
4 Требования безопасности
4.1 Морозильник разработан для использования внутри отапливаемых помещений. Вне помещений пользование морозильником не допускается.
4.2 Морозильник не разработан специально для использования лицами (включая детей) с пониженными физическими, психическими или умственными способностями или при отсутствии у них опыта или знаний, если они не находятся под контролем или не проинструктированы об использовании морозильника лицом, ответственным за их безопасность. Дети должны находиться под присмотром для недопущения игры с морозильником.
4.3 Перед подключением морозильника к электрической сети проверьте вилку и шнур на отсутствие повреждений изоляции.
4.4 При повреждении шнура питания его замену, во избежание опасности, должен проводить изготовитель, сервисная служба или аналогичный квалифицированный персонал.
4.5 Морозильники выпускаются с электрозащитой класса «0» – без устройства для заземления или класса «1» – штепсельная вилка и входящие элементы соединены электрически с заземлением.
4.6 Если розетка в Вашей квартире не подходит к вилке сетевого шнура морозильника, то Вам необходимо обратиться к квалифицированному электрику для установки розетки.
❗👉➨ Внимание! МОРОЗИЛЬНИК КЛАССА ЗАЩИТЫ «1» ПОДКЛЮЧАЙТЕ ТОЛЬКО К ЭЛЕКТРИЧЕСКОЙ СЕТИ, ИМЕЮЩЕЙ ЗАЗЕМЛЕНИЕ.
4.7 В случае, если Вы устанавливаете морозильник в помещение, не снабженное квартирным устройством защитного отключения, морозильник эксплуатируют с устройством защитного отключения (УЗО), имеющим значения параметров не хуже: диапазон номинальных напряжений от 220 до 240 В, переменный ток частотой 50 Гц, номинальная мощность нагрузки не менее 1,3 кВА, время срабатывания по току утечки до 30 мА – не более 1 секунды. Операция по подключению УЗО выполняется механиком ремонтной организации за отдельную плату.
4.8 При появлении признаков замыкания электропроводки на корпус (пощипывание при касании к металлическим частям) отключите морозильник от электросети и вызовите механика для устранения неисправности.
4.9 Запрещается ОДНОВРЕМЕННО ПРИКАСАТЬСЯ К ВКЛЮЧЕННОМУ МОРОЗИЛЬНИКУ И УСТРОЙСТВАМ, ИМЕЮЩИМ ЕСТЕСТВЕННОЕ ЗАЗЕМЛЕНИЕ (ГАЗОВЫЕ ПЛИТЫ, РАДИАТОРЫ ОТОПЛЕНИЯ, ВОДОПРОВОДНЫЕ КРАНЫ И ДР.).
4.10 Отключайте морозильник от сети при: уборке его внутри и снаружи, перемещении на другое место, мытье полов под морозильником и устранении неисправностей.
4.11 Не допускайте попадания жидкости на приборы автоматики. При попадании влаги или воздействии пара на приборы автоматики или узлы электропроводки немедленно отключайте морозильник от электросети. Пуск в работу разрешается только после обеспечения условий безопасной эксплуатации.
4.12 Запрещается ЭКСПЛУАТАЦИЯ МОРОЗИЛЬНИКА В ПОМЕЩЕНИЯХ:
– С ХИМИЧЕСКИ АКТИВНОЙ СРЕДОЙ (ПОМЕЩЕНИЕ, В КОТОРОМ ПОСТОЯННО ИЛИ ДЛИТЕЛЬНО СОДЕРЖАТСЯ ИЛИ ОБРАЗУЮТСЯ ОТЛОЖЕНИЯ, ДЕЙСТВУЮЩИЕ РАЗРУШАЮЩЕ НА ТОКОПРОВОДЯЩИЕ ЧАСТИ);
– С ОСОБОЙ СЫРОСТЬЮ (КОГДА ПОТОЛОК, СТЕНЫ И ПРЕДМЕТЫ, НАХОДЯЩИЕСЯ В ПОМЕЩЕНИИ, ПОКРЫТЫ ВЛАГОЙ), С ТОКОПРОВОДЯЩЕЙ ПЫЛЬЮ;
– С ТОКОПРОВОДЯЩИМИ ПОЛАМИ (МЕТАЛЛИЧЕСКИМИ, ЗЕМЛЯНЫМИ, ЖЕЛЕЗОБЕТОННЫМИ).
4.13 В ЦЕЛЯХ ПОЖАРНОЙ БЕЗОПАСНОСТИ Запрещается ИСПОЛЬЗОВАТЬ ДЛЯ ПОДКЛЮЧЕНИЯ МОРОЗИЛЬНИКА К ЭЛЕКТРИЧЕСКОЙ СЕТИ САМОДЕЛЬНЫЕ: ПЕРЕХОДНИКИ, МНОГОМЕСТНЫЕ РОЗЕТКИ (ИМЕЮЩИЕ ДВА И БОЛЕЕ МЕСТ ПОДКЛЮЧЕНИЯ) И УДЛИНИТЕЛЬНЫЕ ШНУРЫ.
4.14 ДЛЯ ОБЕСПЕЧЕНИЯ ЭЛЕКТРОБЕЗОПАСНОСТИ И ПОЖАРОБЕЗОПАСНОСТИ Запрещается ЭКСПЛУАТИРОВАТЬ МОРОЗИЛЬНИК СВЕРХ УСТАНОВЛЕННОГО СРОКА СЛУЖБЫ (10 ЛЕТ) БЕЗ ТЕХНИЧЕСКОГО ОСВИДЕТЕЛЬСТВОВАНИЯ.
4.15 Морозильник соответствует требованиям технического регламента Таможенного союза. Сертификат соответствия ТС RU С-RU.AЮ17.B.00091, срок действия по 09.03.2020, выдан ООО «Саратовский ЦСМ» (адрес: 410065, г. Саратов, ул. Тверская, д. 51А).
5 Устройство морозильника Саратов
5.1 Основные узлы и детали морозильника показаны на рисунках 1, 1а, 1б.
Рисунок 1 – Устройство морозильников «Саратов-153», «Саратов-154»
1 – ванночка;
2 – сосуд нижний;
4 – сосуд;
5 – сосуд для ягод;
6 – форма для льда
Рисунок 1а – Устройство морозильников «Саратов-171», «Саратов-172»
1 – ванночка;
2 – сосуд нижний;
3 – шторка;
4 – сосуд;
5 – сосуд для ягод;
6 – форма для льда
Рисунок 1б – Устройство морозильника «Саратов-170»
1 – ванночка;
2 – сосуд нижний;
4 – сосуд;
5 – сосуд для ягод;
6 – форма для льда
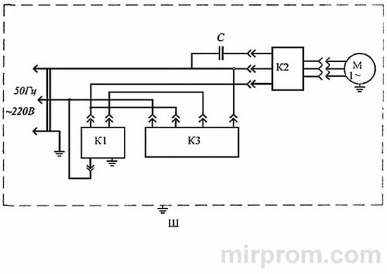
5.2 Морозильник выпускается с электрозащитой класса «0» – без устройства для заземления или класса «1» – с устройством для заземления (рисунок 2).
Рисунок 2 – Схема электрическая соединений
К1 – датчик-реле температуры;
К2 – пускозащитное реле;
К3 – блок сигнализации и управления;
М – компрессор;
Ш – шкаф;
С – конденсатор; ⏚– заземление для морозильников с защитой класса 1
❗👉➨ Примечание – Допускается отсутствие на изделии конденсатора С.
5.3 На лицевой поверхности столешницы установлен блок сигнализации и управления, в конструкцию которого входят:
– выключатель клавишный (2)
– переключатель режимов замораживания и хранения с индикаторами трех цветов свечения:
красного (аварийный режим) (4),
желтого (режим замораживания) (1),
зеленого (режим хранения) (3).
При первом включении загорается красная лампочка (4), пока морозильник не наберет рабочую температуру. Когда она погаснет, можно закладывать продукты. Также во время эксплуатации эта лампочка может включаться при какой-либо неисправности морозильника. Режим замораживания (1) рекомендуется включать после дозакладки в морозильник новой незамороженной продукции.
На задней панели морозильной камеры есть ручка датчика реле и температуры.
5.4 Температурный режим устанавливается ручкой датчика-реле температуры. Установка ручки в положение, гарантирующее обеспечение технических параметров выполняется изготовителем.
5.5 В морозильнике предусмотрена возможность перенавески двери на левостороннее открывание. Операция по перенавеске двери выполняется механиком ремонтной организации за дополнительную плату.
6 Подготовка к работе
6.1 Перед пользованием морозильником необходимо выполнить следующие работы:
– морозильник освободить от упаковочного материала;
– установить морозильник вдали от источников тепла (кухонных плит, духовок, каминов), в хорошо проветриваемом месте. Не допускайте воздействия прямых солнечных лучей. Следите, чтобы во время эксплуатации доступ воздуха к отверстиям для вентиляции не был перекрыт и затруднен;
– для самопроизвольного закрывания двери следует незначительно наклонить морозильник от 3 до 5 мм в сторону конденсатора (за счет регулировки опор). Для хорошей работы морозильника важно, чтобы он находился на ровной плоскости. После установки морозильника на место регулируйте его положение;
– вымыть, протереть и проветрить морозильник согласно разделу «Техническое обслуживание»;
– внесенный с мороза морозильник можно включать в работу только через 6 часов выдержки при комнатной температуре.
6.2 Перед включением морозильника в сеть необходимо убедиться в соответствии напряжения, указанного на табличке на задней стенке морозильника, напряжению сети. Сетевой шнур после подключения к розетке должен находиться в свободном состоянии.
7 Порядок работы
7.1 Включите морозильник в сеть. Интервал между повторными включениями должен быть не менее 5 минут.
7.2 Поставьте выключатель клавишный блока сигнализации и управления в положение режима замораживания. При этом загораются два индикатора: индикаторы желтого и красного свечения. Компрессор в режиме замораживания работает непрерывно.
Начинайте загрузку морозильника после погасания индикатора красного свечения (в пределах двух часов после включения). При очередной закладке продуктов в морозильник не рекомендуется загружать более производительности замораживания, так как при большей загрузке время замораживания увеличивается, а качество замороженных продуктов ухудшается. При меньшем количестве закладываемых продуктов время замораживания уменьшается.
7.3 По истечении времени замораживания поставьте выключатель клавишный в положение режима хранения. Погаснет индикатор желтого свечения, загорится индикатор зеленого свечения. В морозильной камере автоматически будет поддерживаться указанная в разделе 2 температура.
7.4 Последующее загорание индикатора красного свечения свидетельствует о нарушении режима хранения (закладка большего количества продуктов или появление неисправности).
В морозильнике можно замораживать и хранить длительное время: мясные продукты, рыбу, хлебные и хлебобулочные изделия, овощи, фрукты и ягоды (кроме цитрусовых).
7.5 При замораживании и хранении продуктов рекомендуется:
– помещать в морозильник только свежие продукты, расфасованные на необходимые Вам порции и обязательно упакованные в полиэтиленовую пленку, алюминиевую фольгу и другие материалы, не пропускающие влагу и запахи;
– придерживаться сроков хранения продуктов, указанных на панели двери;
– не помещать жидкие продукты в стеклянной таре;
– хранить продукты только в сосудах.
7.6 Для приготовления льда форму для льда заполняют водой и оставляют промерзать в одном из сосудов морозильника.
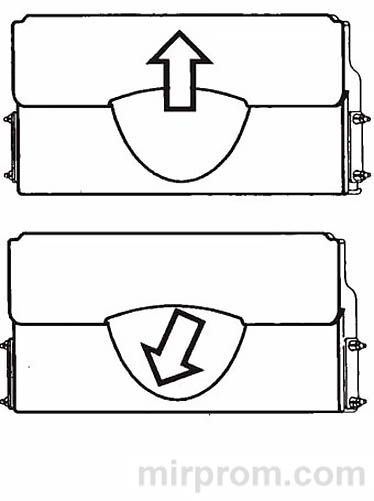
7.7 При открывании панели (шторки) морозильного отделения (модели «Саратов-171», «Саратов-172») необходимо приподнять панель вверх, затем открыть движением на себя в соответствии с рисунком 3.
Рисунок 3 – Открывание панели-шторки
7.8 Для исключения конденсации влаги на нижней лицевой поверхности шкафа конструкцией предусмотрен её обогрев. В процессе работы морозильника эта поверхность может нагреваться, что является нормальным состоянием морозильника.
В период повышенной относительной влажности, выше 70 %, или пониженной температуры окружающей среды, ниже плюс 16 °С, на боковых поверхностях шкафа морозильника может конденсироваться влага, что не является дефектом изделия и не влияет на эксплуатационные характеристики морозильника.
7.9 В морозильнике могут быть слышны щелчки срабатывания датчика-реле температуры, потрескивания, возникающие в результате температурных перепадов, журчащие звуки движения холодильного агента по трубкам. Данные звуки носят функциональный характер и не влияют на работу и надежность морозильника.
7.10 Во время работы морозильника поверхность компрессора может нагреваться до 90 °С.
8 Техническое обслуживание
8.1 Многолетняя и безотказная работа морозильника зависит от правильной эксплуатации и надлежащего ухода. При пользовании морозильником на стенках испарителя образуется снежный покров, оттайку которого рекомендуется производить не реже 1 – 2 раз в год. При образовании на испарителе, особенно на верхней его части незначительного снегового покрова (толщиной 2 – 3 мм), его следует удалить с помощью пластмассовой или деревянной пластинки, не приурочивая это к моменту оттаивания морозильной камеры. Если образовался плотный снеговой покров, препятствующий выдвижению верхнего сосуда и его нельзя удалить с помощью пластинки, необходимо произвести оттаивание морозильника.
8.2 Уборку производить следующим образом:
– отключить морозильник от сети;
– удалить из морозильника продукты, при этом продукты, находящиеся в замороженном состоянии, завернуть в несколько слоёв бумаги и положить их в прохладное место;
– для слива талой воды вынуть заглушку и снизу под отверстие поставить ванночку 1 (рисунки 1, 1а, 1б);
– для ускорения процесса оттаивания дверь морозильника следует держать открытой. Запрещается для оттаивания использовать электронагревательные приборы. При удалении снежного покрова Запрещается использовать острые, металлические предметы, которые могут повредить стенки;
– после удаления снежного покрова, вымыть испаритель смоченной в тёплой воде мягкой тканью, досуха протереть. Наружные поверхности шкафа и двери протереть мягкой тканью, смоченной в теплой, слегка мыльной воде. Поверхность морозильной камеры и внутренней панели двери можно протереть тканью, смоченной содовым раствором (1 столовая ложка на 1 литр воды). При мытье внутренней панели двери нельзя допускать затекания воды за уплотнитель двери. Вымытый морозильник необходимо вытереть досуха мягкой тканью. Нельзя применять для чистки морозильника какие-либо порошки, пасты. Заглушку установить на прежнее место. Не реже одного раза в 6 месяцев рекомендуется очищать конденсатор от пыли волосяной щеткой или пылесосом и мыть ванночку. Не допускать попадания на конденсатор посторонних предметов.
9 Правила хранения и транспортирования
9.1 Морозильник может быть отключен на любой срок. Для этого: отключить его от сети, тщательно помыть и насухо протереть; дверь морозильника держать приоткрытой.
9.2 Перевозить морозильник разрешается только в вертикальном положении, предохраняя его от повреждений.
9.3 Морозильник хранить в упакованном виде в закрытых помещениях с естественной вентиляцией при относительной влажности не выше 70 %.
10 Перечень возможных неисправностей и методы их устранения
Таблица 3
| Возможная неисправность | Вероятная причина | Методы устранения |
| 1 Повышенный шум, дребезжание | Неустойчивое положение морозильника. Трубопровод холодильного агрегата соприкасается с корпусом морозильника |
Установить морозильник в соответствии с настоящим руководством (п. 6.1). Устранить касание, осторожно отогнув трубопровод |
| 2 Включенный в электросеть морозильник не работает | Отсутствует напряжение в электросети. Нет контакта штепсельной вилки с розеткой |
Проверить наличие напряжения. Обеспечить контакт штепсельной вилки с розеткой |
| 3 Появляется запах в морозильной камере | Нерегулярная и нетщательная уборка морозильной камеры. Длительное пребывание морозильника в выключенном состоянии с плотно закрытой дверью. Хранение в морозильнике несвежих продуктов | Тщательно вымыть морозильную камеру и проветрить морозильник в течение 3 – 4 часов |
| 4 На поверхности корпуса морозильника образуется влага | Морозильник эксплуатируется в помещении с относительной влажностью выше 70 % или пониженной температурой окружающей среды ниже плюс 16 °С | Это обычное явление в сыром помещении. Удалить влагу сухим полотенцем |
❗👉➨ Примечания
1 Частичное необмерзание испарителя дефектом не является.
2 В случае выявления других неисправностей обращайтесь в специализированную мастерскую
11 Гарантийные обязательства
11.1 Гарантийный срок эксплуатации морозильника – 3 года на территории России и 1 год за границей РФ с даты продажи его через торговую сеть. Если день продажи установить невозможно, гарантийный срок исчисляется со дня выпуска морозильника изготовителем.
Доставка морозильника для ремонта, его ремонт и возврат после ремонта владельцу производится силами и средствами предприятия, осуществляющего гарантийный ремонт.
В течение гарантийного срока изготовитель (продавец) несет ответственность за неисправность морозильника в объеме и по процедуре закона РФ «О защите прав потребителей».
❗👉➨ Примечание – В случае нарушения потребителем правил транспортирования, хранения, установки и эксплуатации, изделие гарантийному ремонту не подлежит, если это будет доказано изготовителем (продавцом).
11.2 Гарантийная карта прилагается к каждому морозильнику.
12 Утилизация
12.1 По истечении установленного срока службы (10 лет) потребителю необходимо обратиться в сервисную мастерскую для технического освидетельствования морозильника с целью обеспечения электро-пожаробезопасности.
При последующей эксплуатации аналогичное освидетельствование проводить не реже одного раза в два года.
12.2 Если эксплуатация морозильника в дальнейшем невозможна, потребителю необходимо привести его в негодность следующим образом:
– отсоединить вилку от сети и перерезать провод;
– компрессор, холодильный агрегат, пускозащитное реле, электропроводка могут утилизироваться как лом черных и цветных металлов;
– корпус морозильника и корпус двери подлежат захоронению на полигонах бытовых и промышленных отходов по правилам и требованиям, установленным местной администрацией.
Выжигание теплоизоляции корпусов морозильника и двери категорически Запрещается ввиду образования при горении токсичных веществ.

