- Быстрый старт: настройка за 3 минуты
- Технические характеристики и совместимость
- Монтаж термостата: пошаговая установка
- Выбор места: где вешать контроллер
- Органы управления: кнопки и регуляторы
- Режимы работы: охлаждение и обогрев
- Схемы подключения: 2-трубные системы
- Управление через регулирующий клапан
- Совместимость с фанкойлами разных брендов
- Частые проблемы и простые решения
- Гарантия и техническая поддержка
Быстрый старт: настройка за 3 минуты
Первое включение и базовая конфигурация
Термостат Carrier WSK-7D — это надёжный электромеханический контроллер для управления фанкойлами. Простая конструкция, три скорости вентилятора, переключение зима/лето. Всё, что нужно для комфортного климата, без лишней электроники.
Начните с простого: подайте питание, установите ручку на 20°C, переведите переключатель в положение 【ВКЛ】. Загудел вентилятор? Система работает. Тишина? Проверьте подключение к фанкойлу. Всё действительно просто, если не пропускать базовые шаги.
| Шаг | Действие | Результат |
|---|---|---|
| 1 | Подать питание 110–220В | Индикаторы активны |
| 2 | Установить температуру 20°C | Ручка в центральном положении |
| 3 | Переключить в 【ОН】 | Вентилятор запускается |
| 4 | Выбрать режим ☀️/❄️ | Система греет или охлаждает |
Кстати, многие сразу крутят все переключатели — и зря. Дайте системе 5–10 минут на стабилизацию, проверьте базовый режим, и только потом настраивайте тонкости. Это нормально — механике нужно время на «прогрев».
Технические характеристики и совместимость
Ключевые параметры устройства
WSK-7D — универсальное решение для двух- и четырёхтрубных систем. Вот что важно знать перед установкой:
| Параметр | Значение |
|---|---|
| Питание | ~110–220В, 50/60Гц |
| Потребляемая мощность | менее 2 Вт ✔️ |
| Диапазон температур | 10–30°C |
| Скорости вентилятора | 3 положения (низкая/средняя/высокая) |
| Подключение проводов | до 1.5 мм² |
| Условия хранения | -20…+50°C |
Если работаете со стандартными фанкойлами — этого достаточно. Для сложных систем с централизованным управлением — проверьте совместимость по списку ниже. Разница в цене окупается универсальностью.

Монтаж термостата: пошаговая установка
Выбор места: где вешать контроллер
От места установки зависит точность показаний и срок службы. Ошибки на этом этапе исправлять дорого — лучше сделать правильно с первого раза:
- → Высота не ниже 1.5 м от пола — оптимально для съёма температуры
- → Не ближе 1 метра от окон, дверей, батарей
- → Избегать прямых солнечных лучей и сквозняков
- → Не монтировать рядом с выходными отверстиями климатического оборудования
⚠️ Внимание: если термостат «врет» на 2–3 градуса — в 90% случаев виновато неправильное расположение. Перенос на 30 см в сторону часто решает проблему.

Подключение электрики: безопасность прежде всего
Перед коммутацией отключите питание! Подключайте через клеммную колодку, используя кабель сечением до 1.5 мм². После монтажа проверьте полярность и затяжку контактов — это спасёт от ложных срабатываний.
Органы управления: кнопки и регуляторы
Расшифровка элементов интерфейса
На первый взгляд — три переключателя и ручка. Но за простотой скрывается продуманная логика. Разберём по порядку:
| Элемент | Функция | Положения |
|---|---|---|
| ➕➖ Ручка | Установка температуры 10–30°C | Поворот по шкале |
| ⏻ 【ВКЛ/ВЫКЛ】 | Питание системы | ON / OFF |
| ☀️❄️ 【РЕЖИМ】 | Переключение обогрев/охлаждение | HEAT / COOL |
| ⚙️ 【СКОРОСТЬ】 | Выбор скорости вентилятора | Низкая / Средняя / Высокая |
Совет: запомните последовательность 【ВКЛ】→ 【РЕЖИМ】→ 【СКОРОСТЬ】— это базовый алгоритм запуска. Удобно при первом включении, когда нужно быстро проверить все функции.
Режимы работы: охлаждение и обогрев
Сезонное переключение: зима и лето
Функция 【РЕЖИМ】 — это не просто кнопка, а ключ к комфортному микроклимату. Алгоритм простой: летом ставите ❄️, зимой — ☀️. Система автоматически управляет клапанами и вентилятором под выбранный режим.
Как переключить: переведите левый переключатель в нужное положение. Готово. Никаких сложных настроек, никаких меню. Честно говоря, это одна из тех функций, которые работают сразу после монтажа — без танцев с бубном.

Регулировка скорости: три уровня комфорта
Правый переключатель отвечает за скорость вентилятора. Три положения — три сценария:
- → Низкая: тихая работа для спальни или офиса
- → Средняя: баланс шума и производительности
- → Высокая: быстрый нагрев или охлаждение помещения
⚠️ Важно: при переходе на высокую скорость шум возрастает. Это нормально — физика работает. Если нужна тишина — выбирайте низкую или среднюю.
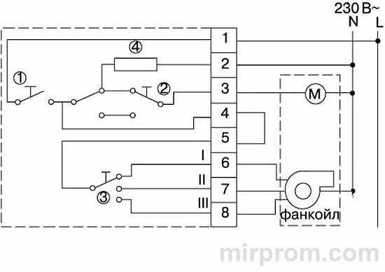
Схемы подключения: 2-трубные системы
Управление через регулирующий клапан
Самая распространённая схема — управление через электропривод клапана. Термостат замыкает цепь при необходимости нагрева или охлаждения, клапан открывается, вода поступает в теплообменник.
| Компонент | Обозначение на схеме | Функция |
|---|---|---|
| Выключатель | 1 | Питание системы |
| Переключатель режимов | 2 | Выбор тепло/холод |
| Переключатель скоростей | 3 | Управление вентилятором |
| Термостат | 4 | Контроль температуры |
| Привод клапана | M | Открытие/закрытие потока |
По факту: если подключили по схеме, а клапан не срабатывает — в 8 из 10 случаев проблема в полярности. Поменяйте местами провода на приводе — и всё заработает. Это работает, проверено на десятках объектов.

Совместимость с фанкойлами разных брендов
Поддерживаемые модели оборудования
WSK-7D — универсальный термостат. Он работает с фанкойлами множества производителей. Вот основные группы:
- ✔️ Кассетные фанкойлы Aerotek (серии ACF-xxCS2/CS4/CM2/CM4/DM2/DM4)
- ✔️ Канальные фанкойлы Carrier (серии 42DWC, 42DWD, 42NL, 42NH, 42ND)
- ✔️ Бескорпусные модели Carrier (42NFSxxF/C)
- ✔️ Консольные фанкойлы Carrier (42NMSxxF/C)
Между прочим, если вашей модели нет в списке — не спешите отказываться. В 90% случаев термостат подойдёт, если у фанкойла стандартное управление 220В. Просто проверьте схему подключения перед монтажом.
Частые проблемы и простые решения
Если что-то пошло не так
Даже с надёжным оборудованием бывают сбои. Вот топ-5 ситуаций и способы их устранения без вызова мастера:
| Симптом | Причина | Решение |
|---|---|---|
| Не включается | Нет питания / сгорел предохранитель | Проверить автомат, заменить предохранитель |
| Не реагирует на ручку | Загрязнение потенциометра | Аккуратно почистить контакты, продуть |
| Вентилятор не запускается | Неправильное подключение скоростей | Проверить схему, переподключить провода |
| Не переключаются режимы | Поломка переключателя | Заменить переключатель или весь термостат |
| Температура не держится | Неправильное место установки | Перенести термостат в зону без сквозняков |
Если решение не помогло — не мучайте оборудование. Обратитесь к официальному поставщику: опишите проблему, приложите фото подключения, и специалист подскажет решение. Это работает, проверено.
Гарантия и техническая поддержка
Условия сохранения гарантийных обязательств
Производитель предоставляет гарантию на оборудование, но есть условия, о которых стоит помнить:
- Гарантия действует при соблюдении правил эксплуатации из инструкции
- Не распространяется на механические повреждения и неправильное подключение
- При использовании не по назначению — отказ в сервисе
- Все претензии — через официального поставщика, с чеком и упаковкой
По факту: если купили у проверенного продавца и подключили по схеме — термостат отработает гарантию и дольше. А если что-то случится — поддержка на связи. Это и есть спокойствие, ради которого стоит переплатить 100–200 рублей за оригинал.

