- Назначение и ключевые возможности УЗМ-51М
- Технические характеристики и точность измерений
- Конструкция и монтаж на DIN-рейку
- Схемы подключения для разных конфигураций
- Принцип работы и логика автоматической защиты
- Регулировка порогов и параметров срабатывания
- Расшифровка индикации и ручное управление
- Условия эксплуатации и ресурс надёжности
- Гарантийные обязательства и сервис
Назначение и ключевые возможности УЗМ-51М
Комплексная защита от нестабильности электросети
Знакомо, когда холодильник гудит странно или телевизор вдруг выключается? Часто виновата не техника, а скачки в розетке. Устройство защиты многофункциональное УЗМ-51М создано именно для таких случаев. Оно оберегает однофазные приборы в квартирах, домах и офисах от работы при аномальном напряжении — как повышенном, так и пониженном. Импульсные помехи от включения мощных двигателей, пускателей или электромагнитов гасятся варисторным модулем до того, как достигнут вашей техники. Это факт.
Важный момент: УЗМ-51М совместим с любыми типами сетей — TN-C, TN-S, TN-C-S, TT. При этом устройство не дублирует, а дополняет автоматические выключатели, УЗО и УЗИП. Получается многоуровневая защита без лишних затрат. Разумно.
Контроль мощности и технология zero sync™
Ещё одна сильная сторона — ограничение потребляемой мощности в диапазоне 0,5–14,5 кВт. Если нагрузка превышает установленный лимит, устройство отключит цепь с регулируемой задержкой. Это предотвращает перегрев проводки и аварийные отключения вводного автомата. А благодаря технологии «zero sync»™ коммутация реле происходит в момент перехода напряжения через ноль. Пусковые токи ёмкостных нагрузок снижаются, износ контактов минимизируется. Практика показывает: такой подход продлевает срок службы и оборудования, и самого УЗМ-51М.
Технические характеристики и точность измерений
Диапазоны измерений и пороги срабатывания
УЗМ-51М контролирует напряжение, ток (0,6–65 А) и мощность в реальном времени. Регулируемые пороги отключения дают гибкость: верхний — 240–290 В (10 ступеней), нижний — 100–210 В (10 ступеней). Фиксированные аварийные уровни срабатывают мгновенно: >300 В за 20 мс и 85 В за 100 мс. Гистерезис 3% исключает «дребезг» при пограничных значениях. Тут всё ясно.
Параметры импульсной и коммутационной стойкости
Встроенный варистор поглощает одиночные импульсы энергией до 200 Дж и током до 6000 А (форма 8/20 мкс). Время срабатывания — менее 25 нс, уровень ограничения при помехе 100 А не превышает 1,2 кВ. Контакты реле выдерживают ток перегрузки 2000 А в течение 10 мс без сваривания и ток КЗ до 3000 А без разрушения. Цифры впечатляют. Такая защита актуальна в сетях с частыми коммутациями промышленного оборудования.
| Параметр | Значение |
| Номинальное напряжение / частота | 230 В / 50 Гц |
| Номинальный ток нагрузки (АС1/АС3) | 63 А / 25 А |
| Максимальная мощность нагрузки | 15,7 кВт (250 В, АС1) |
| Потребляемая мощность устройства | ≤ 1,5 Вт |
| Степень защиты (корпус/клеммы) | IP40 / IP20 |
| Рабочая температура | -25…+55 °С (УХЛ4) / -40…+55 °С (УХЛ2) |
| Габариты / Масса | 86×35×64 мм / 0,16 кг |
| Срок службы | не менее 10 лет |
Конструкция и монтаж на DIN-рейку
Установка и подключение проводников
УЗМ-51М монтируется на стандартную DIN-рейку 35 мм. Клеммы туннельного типа надёжно фиксируют провода сечением 0,5–33 мм². Момент затяжки — не более 2,8 Нм. Это важно: перетяжка деформирует контакт, недотяжка вызывает нагрев. Золотая середина — залог долговечности. Скажу прямо: экономия на инструменте здесь неуместна.

Рис. 1. Лицевая панель УЗМ-51М с индикаторами и кнопкой управления

Рис. 2. Габаритные размеры УЗМ-51М
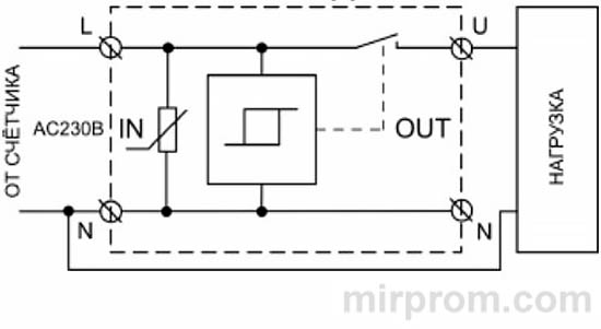
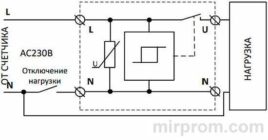
Схемы подключения для разных конфигураций
Варианты включения в однофазную сеть
Подключение выполняется по одной из трёх схем. Базовая (рис. 3) — последовательное включение после вводного автомата. Схема 1Б (рис. 4) предусматривает разделение нулевого проводника для удобства монтажа. Схема 1В (рис. 5) реализует функцию импульсного реле с дистанционным управлением нагрузкой. Выбор зависит от задачи. Впрочем, не всегда.

Рис. 3. Схема 1А — базовое подключение

Рис. 4. Схема 1Б — подключение с разделением нуля

Рис. 5. Схема 1В — управление нагрузкой с дистанционным включением
Важно! Нулевой проводник N проходит сквозь устройство без коммутации. Это упрощает монтаж в трёхфазных щитах: нули нескольких УЗМ можно объединить с одной стороны. Логично.
Принцип работы и логика автоматической защиты
Контроль напряжения и автоматическое повторное включение
При подаче питания УЗМ-51М проверяет сетевое напряжение. Если оно между заданными порогами Umin и Umax, запускается таймер АПВ (10 с или 6 мин — выбирается пользователем). По истечении времени реле замыкается, нагрузка подключается. Если в процессе отсчёта напряжение выйдет за рамки — таймер сбросится. Такой подход исключает многократные включения при нестабильной сети. Что имеем: защита работает на опережение.
Реакция на аварийные ситуации и временные задержки
При выходе напряжения за установленные пороги устройство отсчитывает задержку срабатывания. Длительность зависит от степени отклонения: чем критичнее авария, тем быстрее реакция. После нормализации параметров нагрузка подключается автоматически — но только если напряжение стабильно в течение всего цикла АПВ. Попытка ручного включения в аварийном режиме блокируется. Это серьёзно.
| Напряжение сети (U) | U > Uверх.кр. | U > Uверх. | U Uниз | U Uниз.кр. |
| Время отключения | 0,02 с | 0,1 с | 10 с | 0,5 с |
Регулировка порогов и параметров срабатывания
Настройка верхнего и нижнего порога напряжения
Регулировка осуществляется механическими потенциометрами на лицевой панели. Верхний порог имеет 10 ступеней: 240, 250, 255…290 В. Нижний — аналогично: 100, 110, 120…210 В. Поворот ручки — и значение изменено. Никаких меню, никаких кнопок. Просто и надёжно. По умолчанию установлены средние значения: 270 В (верх) и 170 В (низ). При необходимости их легко скорректировать под локальные особенности сети. Есть нюансы.
Выбор задержки включения: 10 секунд или 6 минут
Задержка АПВ переключается программно через кнопку «ВКЛ/ВЫКЛ». Алгоритм: вручную отключить реле → удерживать кнопку до начала мерцания индикатора → цвет свечения указывает выбранный режим (зелёный = 10 с, красный = 6 мин) → отпустить кнопку → нажать ещё раз для возврата в рабочий режим. Гибко. Подходит и для бытовой техники, и для систем с чувствительной электроникой.
Расшифровка индикации и ручное управление
Двухцветная сигнализация состояния сети
На лицевой панели расположены два индикатора: двухцветный «норма/авария» и жёлтый «реле». Их комбинации дают полную картину:
✔️ зелёный горит + жёлтый горит = напряжение в норме, нагрузка подключена|
⚠️ красный мерцает + жёлтый горит = напряжение приближается к порогу, реле включено|
❌ красный мигает + жёлтый выключен = напряжение ниже нижнего порога, реле выключено|
❌ красный горит + жёлтый выключен = напряжение выше верхнего порога, реле выключено|
★ зелёный горит + жёлтый мигает = напряжение в норме, идёт отсчёт АПВ|
⚠️ зелёный/красный попеременно = ручное отключение реле кнопкой «ВКЛ/ВЫКЛ».
Ручное управление и блокировка повторного включения
Кнопка «ВКЛ/ВЫКЛ» позволяет принудительно управлять нагрузкой. Короткое нажатие меняет состояние реле, удержание 2 с подтверждает действие. Важный нюанс: если реле выключено вручную, оно не включится автоматически после сброса питания — требуется повторное нажатие кнопки. Это защита от неожиданного запуска оборудования при восстановлении сети. Без вариантов.
Условия эксплуатации и ресурс надёжности
Требования к окружающей среде и монтажу
Устройство рассчитано на работу на высоте до 2000 м. Окружающая среда — без взрывоопасных смесей, агрессивных газов, проводящей пыли. Защита от брызг и конденсата обязательна. Вибрация до 4g, ударопрочность 6g — допустимо. Климатическое исполнение УХЛ4 (-25…+55 °С) или УХЛ2 (-40…+55 °С) — выбор зависит от региона. Если монтируете в неотапливаемом щите — берите УХЛ2. Практика показывает: соблюдение условий продлевает срок службы в разы.
Механический и электрический ресурс контактов
Механическая износостойкость реле — 1 млн циклов, электрическая — 100 тыс. циклов. При среднем числе срабатываний 1–2 раза в неделю ресурса хватит на десятилетия. Помехоустойчивость соответствует уровню 3 по ГОСТ: защита от импульсных и высокочастотных помех. УЗМ-51М создан для реальной эксплуатации, а не лабораторных условий. Это факт.
Гарантийные обязательства и сервис
Гарантийный срок — 60 месяцев с момента продажи. Если дата продажи не установлена — от даты изготовления (указана на упаковке). Претензии не принимаются при механических повреждениях, нарушении целостности контрольной наклейки или несоблюдении условий эксплуатации. Выездное гарантийное обслуживание не предусмотрено. Полная оферта сервисной службы доступна на официальном сайте производителя. Справедливости ради: 5 лет гарантии — это сильный аргумент в пользу качества.
| Преимущества УЗМ-51М | Практическая польза |
| 10 ступеней регулировки порогов | Точная адаптация под локальные особенности электросети |
| Защита от импульсных скачков до 6000 А | Предотвращение выхода из строя чувствительной электроники |
| Технология zero sync™ | Снижение пусковых токов и износа контактов реле |
| Два варианта задержки АПВ | Гибкость для бытовой и профессиональной нагрузки |
| Ручное управление с блокировкой | Безопасность при обслуживании и ремонте оборудования |
| Компактный корпус под DIN-рейку | Простой монтаж в стандартный электрощит |
Итог? Устройство защиты многофункциональное УЗМ-51М — это не просто «реле напряжения». Это интеллектуальный контроллер, который предупреждает проблемы до их возникновения. Оно адаптируется под ваши условия, отчитывается о каждом событии и работает годами без вмешательства. Если вы цените предсказуемость и спокойствие — УЗМ-51М заслуживает места в вашем щитке. Однозначно.

