Рассмотрим три ключевых составляющих процесса конструкторско-технологической подготовки производства: проектирование моделей изделий и выпуск конструкторской документации; программирование станков с ЧПУ на основе моделей; проектирование техпроцессов и выпуск технологической документации. Вопросы проектирования сборочных единиц управления документами, работы с библиотеками и БД, анализа технологичности, оптимального раскроя, создания пресс-форм и многие другие возможности системы ADEM–VX выходят за рамки данного обзора.
1. Проектирование моделей изделий и выпуск конструкторской документации
Конструкторский модуль системы ADEM CAD является системой универсального гибридного моделирования. Он одинаково хорошо работает как с плоскими объектами в качестве эффективной «чертилки», так и с твердыми объемными телами и с поверхностями.
Для построения и редактирования объемных сборок и деталей (рис. 1, 2) используются единые методы и команды. Твердое тело можно разбить на составляющие грани и таким образом перейти к поверхностному представлению модели, и наоборот. Таким образом, ADEM CAD является универсальной системой 3D и 2D моделирования.

Рис. 1. Проект ДВС малой тяги.

Рис. 2. Натурный образец ДВС малой тяги.
При этом реализованы гибкие механизмы заимствования объектов из других CAD-систем. Это касается не только интерфейсов обмена данными, но и развитого аппарата прямого редактирования и «лечения» импортируемых моделей.
Кроме основного функционала моделирования ADEM CAD содержит специализированные возможности для прикладных задач проектирования оболочечных конструкций, изделий из листового материала, пресс-форм и др.
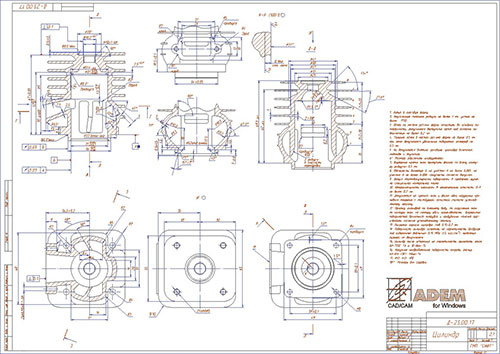
Особое место в системе занимает аппарат создания конструкторской документации (рис. 3). Он успешно поддерживает как автоматизированное построение чертежей по 3D моделям, так и режим традиционного плоского черчения. Оба подхода успешно применяются в проектных и конструкторских и технологических бюро. ADEM CAD обеспечивает полную поддержку ЕСКД и ЕСТД.

Рис. 3. Чертеж корпуса ДВС малой тяги.
2. Программирование станков с ЧПУ на основе моделей
Возможности системы ADEM в части программирования оборудования с ЧПУ обеспечивают поддержкой практически все известные технологии механообработки.
Среди них: фрезерование 2, 5–5x, токарные и токарно-фрезерные технологии, лазерная и газовая резка и сварка 2–5x, электроэрозия 2–4x, гравирование и многое другое (рис. 4–7). А поддержка таких функций как высокоскоростная обработка и плунжерное фрезерование, вкупе с эффективным функционалом, определяет ее лидирующее положение среди систем подобного класса.

Рис. 4. Детали после фрезерной и токарной обработки.

Рис. 5. Модель для многопозиционной фрезерной и сверлильно-расточной обработки.

Рис 6. Опытный образец после многопозиционной обработки.

Рис. 7. Деталь после фрезерной 3x координатной обработки и гравировки.
Автоматизация программирования включает самые современные методы и достижения высокоскоростной обработки, ресурсо и энергосбережения.
Рассмотрим формирование управляющих программ для фрезерования.
В классическом варианте применения ADEM CAM следует задать программную операцию, модель оборудования, инструмент, форму заготовки, необходимые технологические команды и подключить нужный постпроцессор. К операции можно добавлять конкретные технологические переходы и конструктивные элементы (КЭ).
Например, при задании конструктивных элементов для 2, 5-координатной обработки могут использоваться 7 типов: колодец, стенка, окно, паз, плоскость, уступ и плита. Их определение может осуществляться как на основе простых плоских контуров, так и на основе 3D-модели.
Конструктивные элементы для 3, 4 и 5 координатного фрезерования формируются на основе 3-мерной модели изделия или ее комбинации с плоскими контурами. Геометрия задается посредством указания обрабатываемых и контрольных поверхностей, пространственных кривых и пр.
После задания всех необходимых параметров перехода по результатам виртуального моделирования автоматически формируется траектория движения инструмента.
В девятой версии системы появилась новая возможность подготовки данных. Специально разработанный модуль CAM-Expert позволяет исключить множество рутинных процедур. Он автоматически представляет модель детали системой технологических КЭ и осуществляет ввод данных в CAM.
Широкий выбор способов формирования подхода и отхода позволяет создавать эффективные управляющие программы с минимумом нерабочих перемещений. Система может формировать траектории с большим количеством различных типов обработки: зигзаг, петля, спираль, эквидистанта, контурные и эквидистантные зигзаг и петля, трохоида и другие.
Назначение геометрии инструмента может осуществляться как заданием параметров в одном из шаблонов инструмента, так и на основе построенных контуров.
Широкий выбор возможных вариантов врезания позволяет избегать появления «зарезов», а механизм оптимизации подачи в зависимости от толщины стружки, снимаемой каждым зубом фрезы, продлить срок службы инструмента.
Между геометрической моделью и маршрутом обработки сохраняется ассоциативная двунаправленная связь. При изменении геометрии автоматически пересчитывается траектория движения инструмента. А при попытке внести изменения в модель, которые сделают некорректным задание конструктивных элементов, например, при удалении контура, использующегося в CAM, система выдаст соответствующее предупреждение.
3. Проектирование техпроцессов и выпуск технологической документации
Модуль ADEM CAPP является системой проектирования технологических процессов, которая позволяет с различной степенью автоматизации проектировать единичные, групповые и типовые ТП по многим направлениям: механообработка, сборка, сварка, гальваника, штамповка и др.
Рассмотрим некоторые его особенности на примере механической обработки.
Основным элементом исходных данных в процессе разработки является конструкторская документация. Все необходимые параметры, такие как материал изделия, сортамент, масса, автоматически переходят из нее в техпроцесс.
Технологическая информация в системе представляется в виде структурированного дерева операций, переходов, единиц оснастки и других элементов. К каждой операции могут быть добавлены соответствующие эскизы, созданные с привлечением функционала модуля CAD.
В ADEM CAPP существует несколько методов создания единичных техпроцессов. Один из них — последовательное формирование структуры путем добавления операций, переходов, эскизов и т. д. При этом в распоряжении технологов находятся классификаторы операций и переходов, базы по оборудованию, оснастке, режущему и мерительному инструменту. Используется контекстная фильтрация, позволяющая отсечь несовместимые сочетания операций, оборудования, переходов и оснастки, вследствие чего сокращается объем обрабатываемой информации. Автоматизированы процедуры назначения режимов резания и определения норм времени.
Одна из важных особенностей ADEM CAPP — интеграция с модулем CAM, т. е. программная операция на общих основаниях включается в технологический процесс. Выбранный при этом инструмент и режимы обработки автоматически добавляются в технологию и при формировании документации заносятся в технологические карты и ведомости. После расчета траектории и создания управляющей программы в данные соответствующей операции вносятся точные значения норм времени.
Порядок операций, переходов и иерархия элементов могут быть с легкостью изменены с последующей автоматической перенумерацией, что позволяет гибко реорганизовывать структуру технологического процесса.
Другим способом проектирования техпроцесса является использование типовых технологических объектов. Любой технологический объект, будь то операция, или переход, может быть сохранен и в дальнейшем использован при разработке других технологий, как в неизменном виде, так и с последующей корректировкой. Наряду с этим в системе возможна работа нескольких технологов над одним большим техпроцессом, состоящих из самых разных операций.
Еще один вариант проектирования — использование объектно-ориентированных технологий, в том числе алгоритмов автоматического создания маршрутов обработки. Ярким примером такого подхода является сервис обработки отверстия, который позволяет на основе данных о размере, точности и типе отверстия сформировать полный маршрут его обработки.
В ADEM CAPP предусмотрены широкие средства настройки и адаптации системы к конкретным требованиям пользователя. Они включают: настройку вида формируемой документации, в том числе создание собственных бланков карт и отчетов, пополнение и редактирование баз данных оборудования, его привязку к производственным подразделениям, баз данных оснастки, режимов резания и норм времени, перечень операций, переходов и т. д.
Конечной целью технологического проектирования является технологическая документация и сводные данные по материалам, оснастке, инструменту и др. для передачи в системы планирования, учета и управления производством. ADEM CAPP формирует различные виды карт, ведомостей и отчетов, а это более 50 возможных выходных форм, выполненных в полном соответствии с требованиями пользователя.
Таким образом, ADEM CAPP является гибким средством автоматизации труда технолога и позволяет существенно повысить эффективность технологического проектирования.
Заключение
Модули и компоненты системы ADEM–VX глубоко интегрированы друг с другом, представляют единое конструкторско-технологическое пространство, что явно выделяет систему среди других продуктов на рынке САПР.
ADEM–VX органично сочетает средства автоматизации для различных видов инженерной деятельности, оперативное взаимодействие которых является ключом к рентабельному производству.
Андрей Быков
ООО «АДЕМ – Центр»
т/ф (495) 462-01-56, 502-13-41
e-mail: moscow@adem. ru, www. adem. ru
"

