- Надёжная автоматика для ворот до 600 кг
- Технические характеристики: ключевые параметры
- Комплектация и подготовка к монтажу
- Меры безопасности перед началом работ
- Пошаговая установка привода и рейки
- Настройка концевых выключателей и магнитов
- Электрическое подключение и заземление
- Программирование платы V128: DIP-переключатели
- Сопряжение пультов и настройка функций
- Диагностика неисправностей и решения
- Уход и продление срока службы привода
Надёжная автоматика для ворот до 600 кг
Почему HOME GATE NI600Z выбирают для частного дома
Представьте: вы подъезжаете к воротам, нажимаете кнопку — и створка плавно открывается, не требуя усилий. Именно такой комфорт дарит привод HOME GATE NI600Z. Скажу прямо: это не просто «мотор с шестерёнкой», а продуманная система с защитой от перегрузок, интеллектуальным контроллером и возможностью тонкой настройки под ваши задачи.
Алюминиевый корпус, червячный редуктор и двигатель 280 Вт обеспечивают надёжную работу даже при −40 °С. Впрочем, не всё так просто: чтобы привод служил годами, важно соблюсти порядок монтажа и настройки. И это нормально.

Рис. 1. Внешний вид привода HOME GATE NI600Z
Технические характеристики: ключевые параметры
Сравнение основных показателей
Что логично: понимание технических деталей помогает правильно подобрать привод под вес и размеры ворот. Ниже — наглядная сводка.
| Параметр | Значение |
|---|---|
| Рабочее напряжение | 220 В AC, 50 Гц |
| Мощность двигателя | 280 Вт |
| Пусковой ток | 1–10 А |
| Скорость вращения двигателя | 1400 об/мин |
| Скорость движения ворот | 12 м/мин |
| Максимальный вес ворот | 600 кг |
| Рабочая температура | от −40 °С до +60 °С |
| Вес привода | 10 кг |
| Сечение кабеля питания | 2×1,5 мм² |
Червячный редуктор обеспечивает высокий крутящий момент при компактных размерах. Практика показывает: привод стабильно работает даже при частых циклах открывания/закрывания. Есть над чем подумать: почему не добавили беспроводное управление через приложение? Вероятно, ради надёжности и простоты. И это логично.
Комплектация и подготовка к монтажу
В стандартный комплект входит:
- ✔️ Привод HOME GATE NI600Z в алюминиевом корпусе
- ✔️ Ключ для ручной разблокировки
- ✔️ Монтажная пластина и крепёж
- ✔️ Пульт дистанционного управления
- ✔️ Инструкция по эксплуатации
Будем откровенны: комплектация базовая, но достаточная для старта. ⚠️ Обратите внимание: зубчатая рейка, фотоэлементы и сигнальная лампа приобретаются отдельно — это важно учесть при планировании бюджета.
Меры безопасности перед началом работ
Что проверить до первого включения
⚠️ Установку привода должен выполнять квалифицированный специалист. Базовые требования:
- ⚠️ Напряжение питания 220 В должно быть стабильным и заземлённым
- ⚠️ Электропроводка защищена от утечки тока и короткого замыкания
- ⚠️ Привод оснащён фотоэлементами для защиты от защемления
- ⚠️ Все работы проводятся при отключённом питании
Будем откровенны: игнорирование этих правил может привести к травмам или выходу оборудования из строя. Справедливости ради: это касается любой автоматики с подвижными частями.
Пошаговая установка привода и рейки
Монтаж на пластину и регулировка зазора

Рис. 2. Установка на монтажную пластину
Процесс максимально прост. Делайте так:
- → Закрепите монтажную пластину на фундаменте строго горизонтально.
- → Установите привод на пластину, зафиксируйте болтами.
- → Разблокируйте редуктор ключом для свободного хода ворот.
Готово. Точно и надёжно. Кстати, алюминиевый корпус не только лёгкий, но и устойчив к коррозии — это плюс для уличной эксплуатации.

Рис. 3. Монтаж зубчатой рейки
Для установки рейки:
- → Закрепите первый сегмент рейки на шестерне привода.
- → Сдвигая ворота, приваривайте крепления с шагом, оставляя запас 0,5 м с каждого края для магнитов.
- → Отрегулируйте зазор ~2 мм между рейкой и шестернёй в точке контакта.
- → Прокатите ворота несколько раз, убедитесь в плавности хода без закусываний.
Получается, точная регулировка — залог тихой и долговечной работы. Имеет смысл, правда?
Настройка концевых выключателей и магнитов
Как правильно расположить магниты остановки

Рис. 4. Размещение концевых магнитов
Алгоритм настройки:
- → Установите ворота в среднее положение.
- → Закрепите кронштейны концевых выключателей в 1 м от привода с обеих сторон.
- → Включите привод, подайте команду с пульта, проверьте срабатывание.
- → При необходимости поменяйте полярность магнитов местами.
- → Разнесите выключатели в крайние положения, оставив зазор: 5 мм в закрытом, 10 см в открытом.
Звучит убедительно? Ещё бы. Такой запас предотвращает удары и износ редуктора. В конечном счёте, 10 минут настройки экономят годы эксплуатации.
Электрическое подключение и заземление
Схема подключения питания и периферии

Рис. 5. Электрическая схема
Подключайте строго по инструкции:
- ✔️ 【L/N】 — фаза и ноль сети 220 В
- ✔️ 【⏚】 — заземление (обязательно!)
- ✔️ 【FSW】 — вход фотоэлементов (нормально открытый/закрытый)
- ✔️ 【LAMP】 — выход на сигнальную лампу 24–265 В
- ✔️ 【MOTOR】 — подключение двигателя (по схеме)
⚠️ Важно: используйте кабель сечением 2×1,5 мм², надёжно изолируйте соединения. Точно, без компромиссов в безопасности.
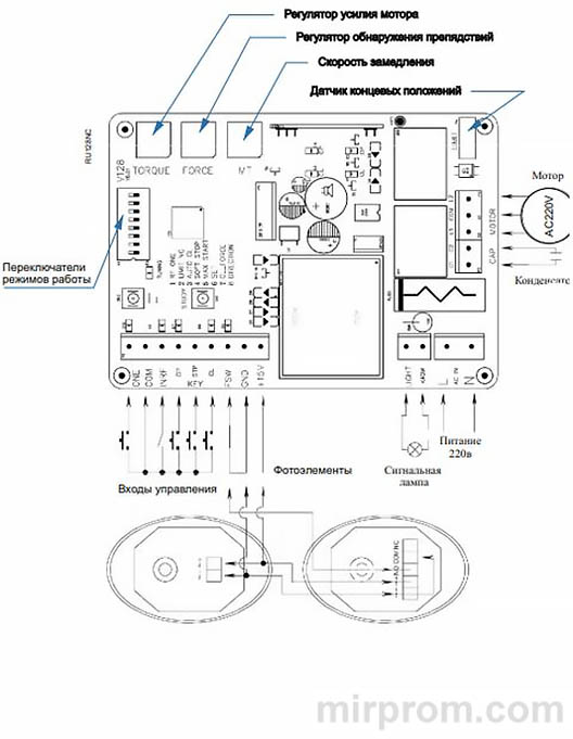
Программирование платы V128: DIP-переключатели
Назначение 8 дип-переключателей
Плата управления V128 — «мозг» привода. Настройка через DIP-переключатели:
| DIP № | Функция | ON / OFF |
|---|---|---|
| 1 | Управление одной кнопкой пульта | ON = цикл: открыть/стоп/закрыть/стоп |
| 2 | Режим входа FSW (фотоэлементы) | ON = NC, OFF = NO (по умолчанию) |
| 3 | Автоматическое закрывание | ON = включено, настраивается с DIP6 |
| 4 | Замедление в конце хода | ON = включено, настраивается кнопкой 【F】 |
| 5 | Старт с максимальным усилием | ON = для тяжёлых ворот |
| 6 | Режим настройки параметров | ON + 【F】 = вход в меню |
| 7 | Обнаружение препятствий | ON = включено, чувствительность регулятором 【FORCE】 |
| 8 | Смена направления вращения | ON = инверсия, если ворота едут не туда |
★ Начинайте с базовых настроек (DIP4, DIP7), затем добавляйте сложные функции. Практика показывает: постепенная настройка снижает риск ошибок. Кстати, регуляторы 【MT】 и 【FORCE】 на плате позволяют тонко настроить усилие и чувствительность.
Сопряжение пультов и настройка функций
Обучение новых пультов и блокировка
Для добавления пульта:
- → Нажмите кнопку 【STUDY】 на плате 2 секунды, отпустите.
- → Быстро нажмите и удерживайте любую кнопку на пульте.
- → Сигнал подтвердит успешное сопряжение.
Готово. Точно и быстро. Можно добавить до 300 пультов — удобно для больших семей или объектов с несколькими пользователями.
⚠️ Для блокировки всех пультов: удерживайте 【STUDY】 8 секунд до сигнала. Все коды будут удалены.

Рис. 6. Схема платы V128
Диагностика неисправностей и решения
Быстрые решения распространённых проблем
Жизнь доказала: даже с надёжным приводом бывают нюансы. Вот что делать:
| Проблема | Возможная причина | Решение |
|---|---|---|
| Двигатель не запускается | Нет питания / сгорел предохранитель | Проверить сеть, заменить предохранитель 10 А |
| Работает только одно направление | Неверное подключение мотора / повреждён пульт | Проверить схему, сменить пульт, проверить DIP8 |
| Не срабатывают концевики | Неправильная полярность магнитов | Поменять магниты местами, проверить зазор |
| Ручная разблокировка не работает | Повреждена рукоятка сцепления | Заменить рукоятку, проверить механизм |
| Ворота едут в обратную сторону | Неверное направление мотора | Переключить DIP8 в положение ON |
| Двигатель гудит, но не вращает | Привод разблокирован / неисправна пружина | Заблокировать привод, проверить пружину сцепления |
Что имеем в итоге? Большинство «поломок» решаются проверкой соединений и настроек. Однозначно стоит попробовать перед вызовом мастера.
Уход и продление срока службы привода
Простые правила для долгой работы
Чтобы HOME GATE NI600Z служил весь нормативный срок, соблюдайте рекомендации:
- ✔️ Раз в 3 месяца наносите антикоррозионную смазку на шпиндель червячной передачи
- ✔️ Проверяйте надёжность заземления и целостность изоляции проводов
- ✔️ Очищайте зубчатую рейку от грязи и наледи в зимний период
- ✔️ Не допускайте попадания воды и химикатов на плату управления
Кстати, в редукторе используется долговечная смазка, не требующая замены. Выходит, бережное обращение окупается.
| Действие | Частота | Цель |
|---|---|---|
| Смазка шпинделя | Раз в 3 месяца | Предотвращение износа червячной пары |
| Проверка заземления | Ежемесячно | Безопасность эксплуатации |
| Очистка рейки | По мере загрязнения | Плавный ход, снижение нагрузки на мотор |
| Тест фотоэлементов | Раз в месяц | Проверка функции защиты от защемления |
Знакомо: хочется, чтобы всё работало «само», но техника требует внимания. В конечном счёте, 15 минут обслуживания в квартал продлевают жизнь привода на годы. А что если начать соблюдать правила уже сегодня? Звучит как план. Не всё так просто, но определённо стоит внимания.
В итоге: HOME GATE NI600Z — это надёжный, безопасный и настраиваемый привод для откатных ворот до 600 кг. Интеллектуальная плата, защита от ошибок и возможность тонкой регулировки делают его универсальным решением для частного дома. Однозначно стоит внимания, если вы ищете баланс между ценой, функционалом и долговечностью.

