Реле напряжения EKF PROxima являются микропроцессорным устройством и предназначено для постоянного контроля напряжения в однофазных и трехфазных сетях (MRVA-3) переменного тока, для защиты электроустановок от перепадов напряжения. Реле контролирует напряжение в сети в установленном диапазоне и при выходе напряжения за пределы диапазона отключает оборудование от сети электропитания с заданной выдержкой времени. Установка диапазона напряжения и времени срабатывания производится с помощью поворотных регуляторов (RV-5A, RV-32F) либо при помощи кнопок (MRV, MRVA, MRVs) расположенных на лицевой поверхности реле.
Реле напряжения с ограничителем тока VA-protector MRVA 63A EKF PROxima. Инструкция

Назначение
Цифровое реле напряжения и тока MRVA предназначено для автоматического отключения подключенной через него нагрузки, если значение напряжения или тока в электросети выйдет за допустимые пределы. Прибор управляется микроконтроллером, который анализзирует напряжение и ток в электросети и отображает текущие действующие значения на цифровых индикаторах. Коммутация нагрузки осуществляется электромагнитным реле. Допустимые пределы отвключения напряжения, тока и время задержки включения устанавсливаются пользователем с помощью кнопок. Значения сохраняются в энергонезависимой памяти.
Технические характеристики
Номинальное напряжение питания (Un), В: 230 AC
Номинальная частота, Гц: 50
Диапазон регулировки максимального напряжения, В: 230~300
Диапазон регулировки минимального напряжения, В: 120-210
Диапазон регулировки максимального тока, Is, A: 1-25; 1-32; 1-40; 16-50; 16-63
Погрешность: 2%
Время отключения по верхнему пределу напряжения, с: ‹0,5 с
Время отключения по нижнему пределу напряжения, с: 0,1 (›280B); ‹0,02 (›420B)
Время отключения при перегрузке по току, Та: 5-600 с (Iном ‹ Іизм ‹ Імакс:); 0,1 сек (Iизм≥Iмакс)
Погрешность вольтметра: ‹1%
Номинальное напряжение изоляции, В: 400
Выходной контакт: 1N0 Степень защиты: IP20 Степень загрязнения: 3
Коммутационная износостойкость, циклов: 100000
Механическая износостойкость, циклов: 1000000
Высота над уровнем моря, м: ‹ 2000
Рабочая температура, °C: от - 5 до+ 40
Допустимая относительная влажность: ‹ 50% при 40 °C (без конденсации)
Температура хранения, °С: от -40 до +55
Монтаж: Монтаж на DIN рейку
*- In - номинальный ток прибора, подробнее см. таблицу 2
Таблица 2
| Модель | 25A | 32A | 40A | 50A | 63A |
| Максимальный ток (в течении 10 мин.) не более*, А | 30 | 40 | 50 | 60 | 80 |
| Номинальный ток*, А | 25 | 32 | 40 | 50 | 63 |
| Номинальная мощность*, кВт | 5,5 | 7 | 8,8 | 11 | 13,9 |
| Максимальное сечение провода, мм2 | 6-16 | ||||
*- при активной нагрузке
.
Устанавливаемые пользователем параметры
1. Нижний предел отключения по напряжению ‹U (шаг 1B) 120-210 ((170 В - значение по умолчанию)
2. Верхний предел отключения по напряжению ›U (шаг 1B) 230-300 ((250 В - значение по умолчанию)
3. Время задержки включения Ton (шаг 5 с) 5-600 с (15 с - значение по умолчанию)
4. Верхний предел отключения по току Is (шаг 1А) 16-In (In - значение по умолчанию)
5. Время отключения при перегрузке по току Та (шаг 1 с) 5-600 с (90 с - значение по умолчанию)
Диаграмма работы реле при выходе напряжения за установленные пределы представлена на рисунке 1.

Рис. 1 Диаграмма напряжения реле
Диаграмма работы реле при превышении установленного тока представлена на рисунке 2.

Рис. 2 Диаграмма тока реле
Порядок монтажа и эксплуатации
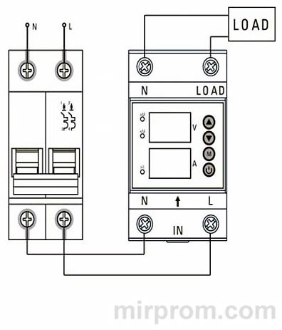
Установите прибор на DIN-рейку шириной 35мм. Подключите провода в соответствии со схемой на рисунке 8. Сечение проводов должно соответствовать максимальному току нагрузки. Для защиты от перегрузок и короткого замыкания перед прибором необходимо установить автоматический выключатель с током отключения в соответствии с током ограничения реле. При использовании многожильного провода, необходимо применять кабельные наконечники, чтобы не повредить жилы при обжатии винтом в клемме.
..
При подаче напряжения на прибор, цифровой индикатор покажет действующее значение напряжения в сети и будет мигать (рис.3).

Рис. 3
Мигание индикатора означает, что напряжение на выходе прибора отсутствует. Если напряжение в сети находится в установленном диапазоне, через время Ton (15 секунд значение по умолчанию) произойдет включение нагрузки и индикатор перестанет мигать.
Если напряжение не в установленном диапазоне, нагрузка к сети не подключится до тех пор, пока напряжение не придет в норму. При этом, если при перезагрузке напряжение находится ниже установленного нижнего предела или выше установленного верхнего предела, мигает соответствующий индикатор ошибки.
Для изменения параметров, заданных по умолчанию, необходимо следовать инструкции на рис.5. Кнопки расположены на передней панели ниже цифрового индикатора. Общий вид лицевой панели и назначение элементов управления представлены на рисунке 4.

Рис. 4
Рис. 5
ЗАДАНИЕ ВЕРХНЕГО ПРЕДЕЛА ОТКЛЮЧЕНИЯ
При удержании кнопки меню более 3 секунд прибор перейдет в режим установки верхнего предела (будет мигать индикатор ›U).

ЗАДАНИЕ НИЖНЕГО ПРЕДЕЛА НАПРЯЖЕНИЯ
При коротком нажатии кнопки меню, значение верхнего предела сохранится и прибор перейдет в режим установки нижнего предела (будет мигать индикатор ‹U).

ЗАДАНИЕ ВРЕМЕНИ ЗАДЕРЖКИ ВКЛЮЧЕНИЯ
При коротком нажатии кнопки меню, значение нижнего предела сохранится и прибор перейдет в режим установки времени задержки (Ton) Время отображается в секундах.

ЗАДАНИЕ ВЕРХНЕГО ПРЕДЕЛА ТОКА
При коротком нажатии кнопки меню, значение времени задержки включения сохранится и прибор перейдет в режим установки верхнего предела тока (Is), (будет мигать индикатор ›I.

ЗАДАНИЕ ВРЕМЕНИ ОТКЛЮЧЕНИЯ ПРИ ПЕРЕГРУЗКЕ ПО ТОКУ, ТА
При коротком нажатии кнопки меню, значение верхнего предела тока сохранится и прибор перейдет в режим установки времени отключения при перегрузке по току, Та.
Значение устанавливаемого параметра можно увеличить или уменьшить. Чтобы сохранить параметры необходимо пройти весь цикл настроек меню.
Из режима установок прибор выходит автоматически через 60 секунд после последнего нажатия кнопки, при этом изменяемые параметры не сохраняются.
Принудительное включение и отключение реле производится нанажатием кнопки При возникновении длительного тока перегрузки, реле покажет ошибку после третьей попытки включения (рис. 6). Для продолжения работы необходимо устранить причину превышения тока и перезагрузить реле.

Рис. 6
Схема подключения

Рис. 7 Условная схема подключения
Рис. 8 Схема подключения
Габаритные и установочные размеры

Рис. 9 Габаритные и установочные размеры ....
Комплектация
1. Цифровое реле напряжения и тока с дисплеем серии MRVA EKF PROxima - 1 шт.;
2. Паспорт - 1 шт.
Требования безопасности
❗👉➨ Внимание! В приборе используется опасное для жизни напряжение
По способу защиты от поражения электрическим током прибор соответствует классу 0 по ГОСТ 12.2. 007-75.
Монтаж и техническое обслуживание прибора должны производиться квалифицированным персоналом.
Реле, имеющие внешние механические повреждения, эксплуатировать запрещено.
При техническом обслуживании реле необходимо соблюдать «Правила техники безопасности и технической эксплуатации электроустановок потребителей».
При обнаружении видимых внешних повреждений корпуса дальнейшая эксплуатация Запрещается.
Условия транспортировки и хранения
Транспортирование реле может осуществляться любым видом закрытого транспорта, обеспечивающим предохранение упакованных изделий от механических воздействий и воздействий атмосферных осадков.
Хранение реле должно осуществляться в упаковке производителя в закрытых помещениях при температуре окружающего воздуха от -40°С до +55°С и относительной влажности не более 80 % при +25°С.
Гарантия изготовителя
Изготовитель гарантирует соответствие реле напряжения и тока требованиям ГОСТ IEC 60947-5-1-2014 при соблюдении потребителем условий эксплуатации, транспортирования и хранения.
Гарантийный срок эксплуатации: 7 лет, исчисляемый с даты продажи.
Гарантийный срок хранения: 7 лет, исчисляемый с даты производства.
Срок службы: 10 лет.

