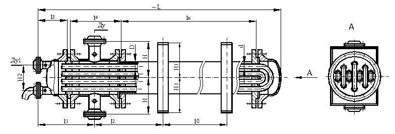
Теплообменник труба в трубе ттм предусмотрен для организации процессов теплообмена при больших расходах рабочих сред от 10 до 300 тонн в час. Участвуют в процессах конвективного теплообмена: жидкость - жидкость, жидкость - газ и газ - газ. В теплообменниках ттм предусмотрена компенсация линейного удлинения теплообменных труб, для труб кожуха так же есть компенсатор, но только в определенных пределах. Перепад температуры на входе и выходе не должен быть более 150 0С. Конструкция аппаратов предусматривает выемку теплообменных труб и их очистку, как внутренней, так и наружной поверхности. Так же можно очищать внутреннюю поверхность и без удаления труб. Цену уточняйте.
Теплообменник ТТМ5 57/108-4, 0/1, 6
Контакты
Город
Челябинск
Категория объявления
Предложение
Категория оборудования
Состояние товара
новое
Наличие товара
под заказ
Стоимость
1000
Контактное лицо
Вероника Робертовна Гатиятова
Контактный номер телефона
+7 (351) 217-89-99
Технические характеристики
| Купить Теплообменник ТТМ5 57/108-4, 0/1, 6 цена указана на сайте |
Теги
Теплообменник ТТМ5 57/108-4, 0/1, 6, Друго

