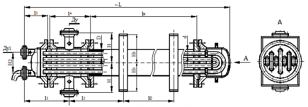
Теплообменники типа ТТРМ
Разборные малопоточные теплообменники труба в трубе ТТРМ предназначены для относительно малых расходов рабочих сред (в случае жидких сред: от 0, 1 до 15 т/ч в трубном пространстве и от 0, 4 до 30 т/ч в кольцевом пространстве) . Для того, чтобы узнать цены и купить теплообменники труба в трубе ТТРМ, свяжитесь с менеджерами компании по телефону +7 (351) 217-89-99 или отправьте запрос к нам на почту 74fork@mail.ru Технические характеристики согласовываются при заказе.
Теплообменник ТТРМ 48/76-6, 3/4, 0
Контакты
Город
Челябинск
Категория объявления
Предложение
Категория оборудования
Состояние товара
новое
Наличие товара
под заказ
Стоимость
1000
Контактное лицо
Юлия Рашитовна Тушенцова
Контактный номер телефона
+73512178999
Технические характеристики
| Купить Теплообменник ТТРМ 48/76-6, 3/4, 0 цена указана на сайте |
Теги
Теплообменники типа ТТРМ, Друго

